Product Summary
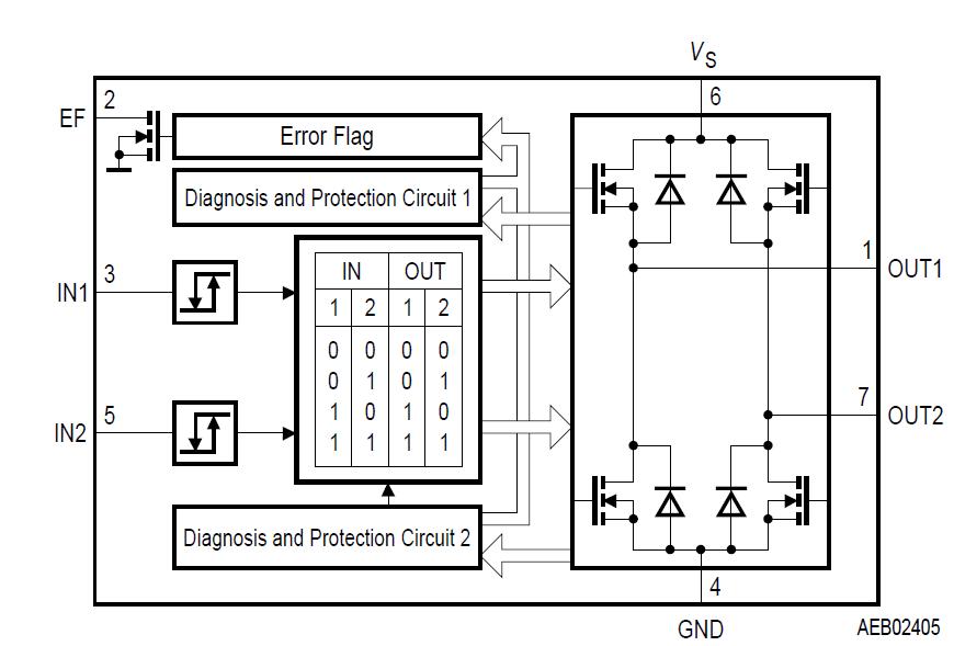
The TLE5206-2G is an integrated power H-bridge with DMOS output stages for driving DC-Motors. The TLE5206-2G is built using the SIEMENS multi-technology process SPT which allows bipolar and CMOS control circuitry plus DMOS power devices to exist on the same monolithic structure. Operation modes forward (cw), reverse (ccw), brake high and brake low are invoked from just two control pins with TTL/CMOS compatible levels. The combination of an extremely low RDS ON and the use of a power IC package with low thermal resistance and high thermal capacity helps to minimize system power dissipation.
Parametrics
TLE5206-2G absolute maximum ratings: (1)Supply voltage VS: -0.3 to 40 V; -1 to 40 V; (2)Logic input voltage VIN1, 2: -0.3 to 7 V; (3)Diagnostics output voltage, VEF: -0.3 to 7 V; (4)Output current (cont), IOUT1, 2: -5 to 5 A; (5)Output current (peak) IOUT1, 2 -6 to 6 A; (6)Junction temperature, Tj: -40 to 150℃; (7)Storage temperature, Tstg: -50 to 150℃.
Features
TLE5206-2G features: (1)Delivers up to 5 A continuous 6 A peak current; (2)Optimized for DC motor management applications; (3)Operates at supply voltages up to 40 V; (4)Very low RDS ON; typ. 200 mΩ@ 25℃ per switch; (5)Output full short circuit protected; (6)Overtemperature protection with hysteresis and diagnosis; (7)Short circuit diagnosis with open drain error flag; (8)Undervoltage lockout; (9)CMOS/TTL compatible inputs with hysteresis; (10)No crossover current; (11)Internal freewheeling diodes; (12)Wide temperature range; -40℃ < Tj < 150℃.
Diagrams

| Image | Part No | Mfg | Description | ![]() |
Pricing (USD) |
Quantity | ||||||||||||
|---|---|---|---|---|---|---|---|---|---|---|---|---|---|---|---|---|---|---|
![]() |
![]() TLE5206-2G |
![]() Infineon Technologies |
![]() Motor / Motion / Ignition Controllers & Drivers POWERTRAIN |
![]() Data Sheet |
![]() Negotiable |
|
||||||||||||
![]() |
![]() TLE5206-2GP |
![]() Infineon Technologies |
![]() Motor / Motion / Ignition Controllers & Drivers 5-A H-Bridge DC Motor Applications |
![]() Data Sheet |
![]()
|
|
||||||||||||
(China (Mainland))









