Product Summary
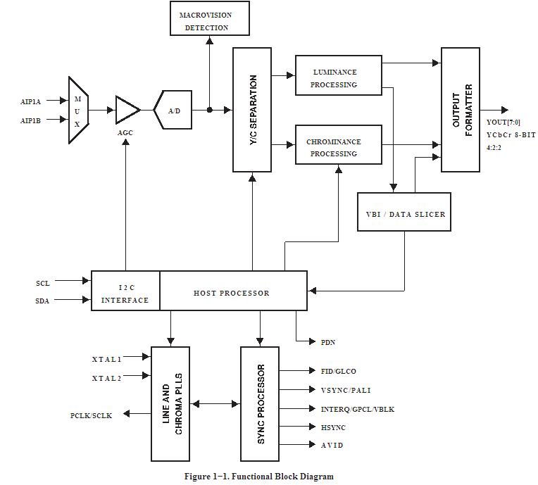
The TVP5150AM1ZQC is an ultralow power NTSC/PAL/SECAM video decoder. Available in a space saving 32-pin TQFP package, the TVP5150AM1ZQC decoder converts NTSC, PAL, and SECAM video signals to 8-bit ITU-R BT.656 format. Discrete syncs are also available. The optimized architecture of the TVP5150AM1ZQC decoder allows for ultralow-power consumption. The decoder consumes 115 mW of power in typical operation and consumes less than 1 mW in power-down mode, considerably increasing battery life in portable applications. The decoder uses just one crystal for all supported standards.
Parametrics
TVP5150AM1ZQC absolute maximum ratings: (1)voltage range: IO_DVDD to DGND: -0.5 V to 4.5 V; DVDD to DGND: 0.5 V to 2.3 V; PLL_AVDD to PLL_AGND: -0.5 V to 2.3 V; CH_AVDD to CH_AGND: -0.5 V to 2.3 V; (2)Digital input voltage range, VI to DGND: -0.5 V to 4.5 V; (3)Input voltage range, XTAL1 to PLL_GND: -0.5 V to 2.3 V; (4)Analog input voltage range AI to CH_AGND: -0.2 V to 2.0 V; (5)Digital output voltage range, VO to DGND: -0.5 V to 4.5V; (6)Operating free-air temperature, TA: 0℃ to 70℃; (7)Storage temperature, Tstg: -65℃ to 150℃.
Features
TVP5150AM1ZQC features: (1)Accepts NTSC (M, 4.43), PAL (B, D, G, H, I, M, N), and SECAM (B, D, G, K, K1, L) video data; (2)Supports ITU-R BT.601 standard sampling; (3)High-speed 9-bit ADC; (4)Two composite inputs or one S-video input; (5)Fully differential CMOS analog preprocessing channels with clamping and automatic gain control (AGC)for best signal-to-noise (S/N) performance; (6)Ultralow power consumption: 115 mW typical; (7)32-pin TQFP package; (8)Power-down mode: <1 mW; (9)Brightness, contrast, saturation, hue, and sharpness control through I2C; (10)Complementary 4-line (3-H delay) adaptive comb filters for both cross-luminance and cross-chrominancenoise reduction; (11)Patented architecture for locking to weak, noisy, or unstable signals; (12)Single 14.31818-MHz crystal for all standards; (13)Internal phase-locked loop (PLL) for line-locked clock and sampling; (14)Subcarrier Genlock output for synchronizing color subcarrier of external encoder.
Diagrams

| Image | Part No | Mfg | Description | ![]() |
Pricing (USD) |
Quantity | ||||||||||||
|---|---|---|---|---|---|---|---|---|---|---|---|---|---|---|---|---|---|---|
![]() |
![]() TVP5150AM1ZQC |
![]() Texas Instruments |
![]() Video ICs Ultralo Pwr NTSC/PAL SECAM Vid Decoder |
![]() Data Sheet |
![]()
|
|
||||||||||||
![]() |
![]() TVP5150AM1ZQCR |
![]() Texas Instruments |
![]() Video ICs Ultralo Pwr NTSC/PAL SECAM Vid Decoder |
![]() Data Sheet |
![]()
|
|
||||||||||||
(China (Mainland))









