Product Summary
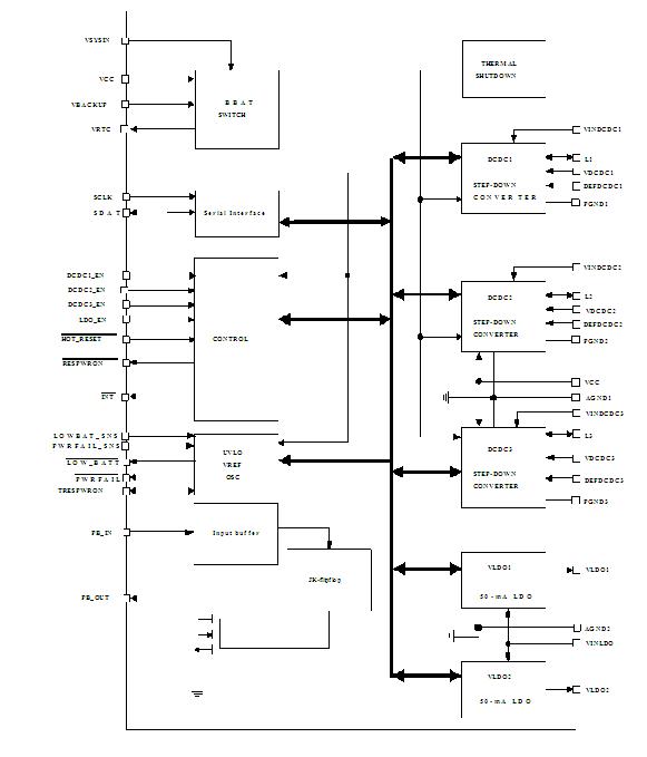
The TPS65020RHAR is an integrated Power Management IC for applications powered by one Li-IonorLi-Polymer cell, and which require multiple power rails. The TPS65020RHAR provides three highly efficient, step-down converters targeted at providing the core voltage, peripheral, I/O and memory rails in a pro-for Processor Core (VDCDC3)cessor based system. All three step-down converters enter a low-power mode at light load for maximum efficiency across the widest possible range of load(VRTC)currents. The applications of the TPS65020RHAR include PDA, Cellular/Smart Phone, Internet Audio Player, Digital Still Camera, Digital Radio Player, Split Supply DSP and μP Solutions: OMAP1610, OMAP1710, OMAP330, Intel PXA270, etc.
Parametrics
TPS65020RHAR absolute maximum ratings: (1)VI, Input voltage range on all pins except AGND and PGND pins with respect to AGND: -0.3 to 7V; (2)Current at VINDCDC1, L1, PGND1, VINDCDC2, L2, PGND2, VINDCDC3, L3, PGND3: 2000mA; (3)Peak Current at all other pins: 1000mA; (4)Continuous total power dissipation: See Dissipation Rating Table; (5)TA, Operating free-air temperature: -40 to 85℃; (6)TJ, Maximum junction temperature: 125℃; (7)Tstg, Storage temperature: -65 to 150℃; (8)Lead temperature 1,6 mm (1/16-inch) from case for 10 seconds: 260℃.
Features
TPS65020RHAR features: (1)1.2 A, 97% Efficient Step-Down Converter for System Voltage (VDCDC1); (2)1 A, Up to 95% Efficient Step-Down Converter for Memory Voltage (VDCDC2); (3)800 mA, 90% Efficient Step-Down Converter for Processor Core (VDCDC3); (4)20 mA LDO/Switch for Real Time Clock; (5)2× 50 mA LDO for SRAM and PLL; (6)Dynamic Voltage Management for Processor Core; (7)Externally Adjustable Reset Delay Time; (8)Battery Backup Functionality; (9)Separate Enable Pins for Inductive Converters; (10)I2C Compatible Serial Interface; (11)85-μA Quiescent Current; (12)Low Ripple PFM Mode; (13)Thermal Shutdown Protection; (14)Push Button I/O.
Diagrams

| Image | Part No | Mfg | Description | ![]() |
Pricing (USD) |
Quantity | ||||||||||
|---|---|---|---|---|---|---|---|---|---|---|---|---|---|---|---|---|
![]() |
![]() TPS65020RHAR |
![]() Texas Instruments |
![]() Battery Management 6-Ch Pwr Mgmt IC for Li-Ion Systems |
![]() Data Sheet |
![]()
|
|
||||||||||
![]() |
![]() TPS65020RHARG4 |
![]() Texas Instruments |
![]() Battery Management 6-Ch Pwr Mgmt IC for Li-Ion Systems |
![]() Data Sheet |
![]()
|
|
||||||||||
(China (Mainland))









