Product Summary
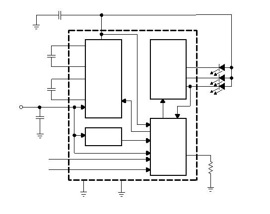
The TPS60231RGTR is a white led charge pump current source with pwm brightness control which in color display backlight applications. The device provides a constant current for each LED, which the initial value can be set by an external resistor. The supply voltage ranges from 2.7 V to Control Signal 6.5 V and is ideally suited for all applications powered by a single LI-Ion battery cell or three to four NiCd, NiMH, or alkaline battery cellS. The applications of the TPS60231RGTR include White LED Backlight for Color Displays inCellular Phones, Smart Phones, PDAs,Handheld PCs, Digital Cameras, andCamcorders, Keypad Backlight.
Parametrics
TPS60231RGTR absolute maximum ratings: (1)ISupply voltage: -0.3 V to 7 V; (2)Voltage at EN1, EN2, VOUT, ISET: -0.3 V to VI; (3)Output current at VOUT: 150 mA; (4)TJ, Maximum junction temperature: 150℃; (5)TA, Operating free-air temperature: -40℃ to 85℃; (6)Tst, Storage temperature: -65℃ to 150℃; (7)Lead temperature 1,6 mm (1/16 inch) from case for 10 seconds: 300℃.
Features
TPS60231RGTR features: (1)Regulated Output Current With 0.4% matching; (2)Drives up to 3 LEDs at 25 mA Each; (3)LED Brightness Control Through PWM Control Signal; (4)High Efficiency by Fractional Conversion With 1x and 1.5x Modes; (5)1 MHz Switching Frequency; (6)2.7 V to 6.5 V Operating Input Voltage Range; (7)Internal Softstart Limits Inrush Current; (8)Low Input Ripple and Low EMI; (9)Overcurrent and Overtemperature Protected; (10)Undervoltage Lockout With Hysteresis; (11)Ultra-Small 3mm x 3mm QFN Package.
Diagrams

| Image | Part No | Mfg | Description | ![]() |
Pricing (USD) |
Quantity | ||||||||||||
|---|---|---|---|---|---|---|---|---|---|---|---|---|---|---|---|---|---|---|
![]() |
![]() TPS60231RGTR |
![]() Texas Instruments |
![]() Charge Pumps 3-Ch 75-mA Charge Pump |
![]() Data Sheet |
![]()
|
|
||||||||||||
![]() |
![]() TPS60231RGTRG4 |
![]() Texas Instruments |
![]() Charge Pumps 3-Ch 75-mA Charge Pump |
![]() Data Sheet |
![]()
|
|
||||||||||||
(China (Mainland))









