Product Summary
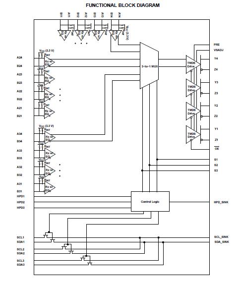
The TMDS341APFCR is a 3-port digital video interface (DVI) or high-definition multimedia interface (HDMI) switch that allows up to 3 DVI or HDMI ports to be switched to a single display terminal. Four TMDS channels, one hot plug detector, and an I2C interface are supported on each port. Each TMDS channel allows signaling rates up to 1.65Gbps. The active source is selected by configuring source selectors, S1, S2, and S3. The selected TMDS inputs from each port are switched through a 3-to-1 multiplexer. The applications of the TMDS341APFCR include Switching From Three Digital-Video (DVI) or Digital-Audio Visual (HDMI) Sources, Digital TV, Digital Projector, Audio Video Receiver.
Parametrics
TMDS341APFCR absolute maximum ratings: (1)Supply voltage range, VCC: -0.5 V to 4 V; (2)Voltage range, Anm(3), Bnm: 2.5 V to 4 V; Ym, Zm, VSADJ, PRE, Sn, OE, HPDn: -0.5V to 4 V; SCLn, SCL_SINK, SDAn, SDA_SINK, HPD_SINK: -0.5 V to 6 V; Anm, Bnm: 5 kV; (3)Electrostatic discharge, Human body model, All pins 4 kV; Charged-device model (all pins): 1000 V; Machine model (all pins): 250 V; (4)Continuous power dissipation: See Dissipation Rating Table.
Features
TMDS341APFCR features: (1)Differential Interface Compatible with Transition Minimized Differential Signaling (TMDS) Electrical Specification; (2)Allows AC-Coupled Input; (3)Designed for Signaling Rates up to 1.65 Gbps in Support of 480 I/P, 720 I/P, 1080 I/P or UXGA Resolutions; (4)Each Port Supports HDMI or DVI Inputs; (5)Isolated Digital Display Control (DDC) Bus for Unused Ports; (6)5-V Tolerance to all DDC and HPD_SINK Inputs; (7)Integrated Receiver Termination; (8)Inter-Pair Output Skew < 100 ps; (9)8-dB Receiver Equalization to Compensate for 5-m DVI Cable Losses; (10)High Impedance Outputs When Disabled; (11)HBM ESD Protection Exceeds 3 kV; (12)3.3-V Supply Operation; (13)80-Pin TQFP Package; (14)ROHS Compatible and 260℃ Reflow Rated.
Diagrams

| Image | Part No | Mfg | Description | ![]() |
Pricing (USD) |
Quantity | ||||||||||||
|---|---|---|---|---|---|---|---|---|---|---|---|---|---|---|---|---|---|---|
![]() |
![]() TMDS341APFCR |
![]() Texas Instruments |
![]() Video Switch ICs 3-TO-1 DVI/HDMI Sw |
![]() Data Sheet |
![]()
|
|
||||||||||||
![]() |
![]() TMDS341APFCRG4 |
![]() Texas Instruments |
![]() Video Switch ICs 3-TO-1 DVI/HDMI Sw |
![]() Data Sheet |
![]()
|
|
||||||||||||
(China (Mainland))









