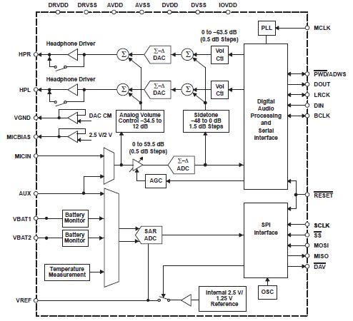
Product Summary
The TLV320AIC26IRHB is a high-performance audio codec with 16/20/24/32-bit 97-dBA stereo playback, mono record functionality at up to 48 ksps. A microphone input includes built-in preamp and hardware automatic gain control, with single-ended or fully-differential input capability. The audio output drivers on the TLV320AIC26IRHB are highly flexible, having software-programmable low or high-power drive modes to optimize system power dissipation. The applications of the TLV320AIC26IRHB include Cellular and Smart Phones, MP3 Players, Digital Still Cameras, Digital Video Camcorders.
Parametrics
TLV320AIC26IRHB absolute maximum ratings: (1)AVDD to AVSS: -0.3 V to 3.9 V; (2)DRVDD to DRVSS: -0.3 V to 3.9 V; (3)IOVDD to DVSS: -0.3 V to 3.9 V; (4)DVDD to DVSS: -0.3 V to 2.5 V; (5)AVDD to DRVDD: -0.1 V to 0.1 V; (6)AVSS to DRVSS to DVSS: -0.1 V to 0.1 V; (7)Analog inputs (except VBAT1 and VBAT2) to AVSS: -0.3 V to AVDD + 0.3 V; (8)VBAT1/VBAT2 to AVSS: -0.3 V to 6 V; (9)Digital input voltage to DVSS: -0.3 V to IOVDD + 0.3 V; (10)Operating temperature range: -40℃ to 85℃; (11)Storage temperature range: -65℃ to 105℃; (12)Junction temperature (TJ Max): 105℃.
Features
TLV320AIC26IRHB features: (1)Low Power High Quality Audio Codec; (2)Stereo Audio DAC and Mono Audio ADC Support Rates up to 48 ksps; (3)High Quality 97-dBA Stereo Audio Playback Performance; (4)Low Power: 11-mW Stereo Audio Playback at 48 ksps; (5)On-Chip 325-mW, 8-Ω Speaker Driver; (6)Stereo Headphone Amplifier With Capless Output Option; (7)Microphone Preamp and Hardware Automatic Gain Control; (8)Integrated PLL for Flexible Audio Clock Generation; (9)Programmable Digital Audio Bass/Treble/EQ/De-Emphasis; (10)Direct Battery Measurement Accepts up to; (11)6-V Input; (12)On-Chip Temperature Measurement; (13)SPI and I2S Serial Interface; (14)Full Power-Down Control; (15)32-Pin 5×5 mm QFN Package.
Diagrams

| Image | Part No | Mfg | Description | ![]() |
Pricing (USD) |
Quantity | ||||||||||||
|---|---|---|---|---|---|---|---|---|---|---|---|---|---|---|---|---|---|---|
![]() |
![]() TLV320AIC26IRHB |
![]() Texas Instruments |
![]() Audio CODECs Lo-Pwr Stereo Codec |
![]() Data Sheet |
![]()
|
|
||||||||||||
![]() |
![]() TLV320AIC26IRHBG4 |
![]() Texas Instruments |
![]() Audio CODECs Octal Bus Trnscvr With 3-State Outputs |
![]() Data Sheet |
![]()
|
|
||||||||||||
![]() |
![]() TLV320AIC26IRHBR |
![]() Texas Instruments |
![]() Audio CODECs Lo-Pwr Stereo Codec |
![]() Data Sheet |
![]()
|
|
||||||||||||
![]() |
![]() TLV320AIC26IRHBRG4 |
![]() Texas Instruments |
![]() Audio CODECs Lo-Pwr Stereo Codec |
![]() Data Sheet |
![]() Negotiable |
|
||||||||||||
(China (Mainland))









