Product Summary
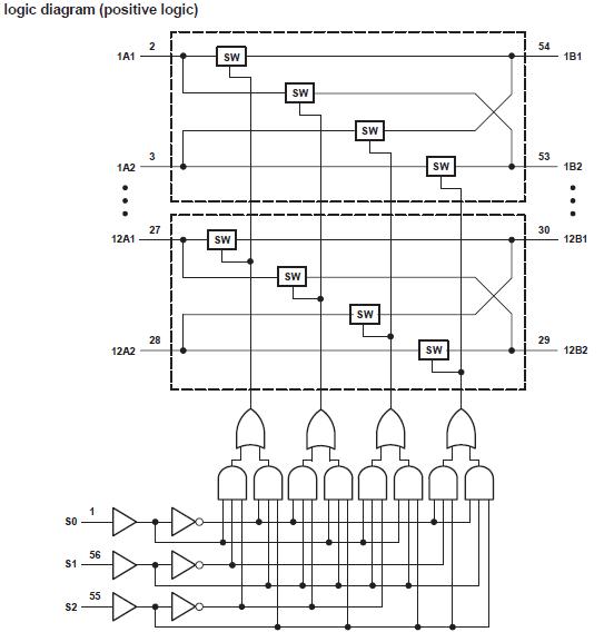
The SN74CBTLV3257RGYR is a low-voltage 24-bit FET bus-exchange switch. It provides 24 bits of high-speed bus switching or exchanging. The low on-state resistance of the switch allows connections to be made with minimal propagation delay. The SN74CBTLV3257RGYR operates as a 24-bit bus switch or a 12-bit bus exchanger, which provides data exchanging between the four signal ports via the data-select (S0, S1, S2) terminals. It is specified by the break-before-make feature to have no through current when switching between B ports. The SN74CBTLV3257RGYR is characterized for operation from –40 to 85℃.
Parametrics
SN74CBTLV3257RGYR absolute maximum ratings: (1)Supply voltage range, VCC: –0.5V to 4.6V; (2)Input voltage range, VI: -0.5V to 4.6V; (3)Continuous channel current: 128mA; (4)Input clamp current, IIK (VI < 0): –50mA; (5)Package thermal impedance, qJA: DGG package: 81℃/W; DGV package: 86℃/W; DL package: 74℃/W; (6)Storage temperature range, Tstg:-65 to 150℃.
Features
SN74CBTLV3257RGYR features: (1)4Ω Switch Connection Between Two Ports; (2)Isolation Under Power-Off Conditions; (3)Break-Before-Make Feature; (4)ESD Protection Exceeds 2000 V Per MIL-STD-883, Method 3015; Exceeds 200 V Using Machine Model (C = 200 pF, R = 0); (5)Latch-Up Performance Exceeds 100 mA Per JESD 78, Class II; (6)Package Options Include Plastic Thin Shrink Small-Outline (DGG), Thin Very Small-Outline (DGV), and 300-mil Shrink Small-Outline (DL) Packages.
Diagrams

| Image | Part No | Mfg | Description | ![]() |
Pricing (USD) |
Quantity | ||||||||||||
|---|---|---|---|---|---|---|---|---|---|---|---|---|---|---|---|---|---|---|
![]() |
![]() SN74CBTLV3257RGYR |
![]() Texas Instruments |
![]() Multiplexer Switch ICs SINGLE INVERTER |
![]() Data Sheet |
![]()
|
|
||||||||||||
| Image | Part No | Mfg | Description | ![]() |
Pricing (USD) |
Quantity | ||||||||||||
![]() |
![]() SN7400 |
![]() Other |
![]() |
![]() Data Sheet |
![]() Negotiable |
|
||||||||||||
![]() |
![]() SN7400D |
![]() Texas Instruments |
![]() Gates (AND / NAND / OR / NOR) Quad 2-input Positive-NAND gates |
![]() Data Sheet |
![]()
|
|
||||||||||||
![]() |
![]() SN7400DE4 |
![]() Texas Instruments |
![]() Gates (AND / NAND / OR / NOR) Quad 2-input Positive-NAND gates |
![]() Data Sheet |
![]()
|
|
||||||||||||
![]() |
![]() SN7400DG4 |
![]() Texas Instruments |
![]() Gates (AND / NAND / OR / NOR) Quad 2-input Pos- NAND |
![]() Data Sheet |
![]()
|
|
||||||||||||
![]() |
![]() SN7400DR |
![]() |
![]() IC QUAD 2IN POS-NAND GATE 14SOIC |
![]() Data Sheet |
![]() Negotiable |
|
||||||||||||
![]() |
![]() SN7400DRE4 |
![]() |
![]() IC QUAD 2IN POS-NAND GATE 14SOIC |
![]() Data Sheet |
![]() Negotiable |
|
||||||||||||
(China (Mainland))










