Product Summary
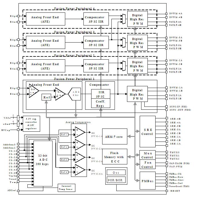
The UCD9240RGCT is a multi-rail, multi-phase synchronous buck digital PWM controller designed for isolated DC/DC power applications. This device integrates dedicated circuitry for C/DC loop for Multi-Phase Power Stages management with flash memory and a serial interface to support configurability, monitoring and management. The applications of the UCD9240RGCT include Industrial/ATE, Networking Equipment, Telecommunications Equipment, Servers, Storage Systems, FPGA, DSP and Memory Power.
Parametrics
UCD9240RGCT absolute maximum ratings: (1)Voltage applied at V33D to DVSS: -0.3 to 3.6V; (2)Voltage applied at V33A to AVSS: -0.3 to 3.6V; (3)Voltage applied to any pin: -0.3 to 3.6V; (4)Storage temperature (TSTG): -40 to 150℃.
Features
UCD9240RGCT features: (1)Fully Configurable Multi-Output and Multi-Phase Non-Isolated DC/DC PWM Controller; (2)Controls Up To Four Voltage Rails and Up To Eight Phases; (3)Supports Switching Frequencies Up to 2MHz With 250 ps Duty-Cycle Resolution; (4)Up To 1mV Closed Loop Resolution; (5)Hardware-Accelerated, 3-Pole/3-Zero Compensator With Non-Linear Gain for Improved Transient Performance; (6)Supports Multiple Soft-Start and Soft-Stop Configurations Including Prebias Start-up; (7)Supports Voltage Tracking, Margining and Sequencing; (8)Supports Current and Temperature Balancing for Multi-Phase Power Stages; (9)Supports Phase Adding/Shedding for Multi-Phase Power Stages; (10)Sync In /Out Pins Align DPWM Clocks Between Multiple UCD9240 Devices; (11)Fan Monitoring and Control; (12)12-Bit Digital Monitoring of Power Supply Parameters Including: Input Current and Voltage; Output Current and Voltage; Temperature at Each Power Stage.
Diagrams

| Image | Part No | Mfg | Description | ![]() |
Pricing (USD) |
Quantity | ||||||||||||
|---|---|---|---|---|---|---|---|---|---|---|---|---|---|---|---|---|---|---|
![]() |
![]() UCD9240RGCT |
![]() Texas Instruments |
![]() Voltage Mode PWM Controllers Dig Point of Load System Controller |
![]() Data Sheet |
![]()
|
|
||||||||||||
| Image | Part No | Mfg | Description | ![]() |
Pricing (USD) |
Quantity | ||||||||||||
![]() |
![]() UCD90120ARGCR |
![]() Texas Instruments |
![]() Supervisory Circuits 12-Rail Pwr Supply Sequencer & Mon |
![]() Data Sheet |
![]()
|
|
||||||||||||
![]() |
![]() UCD90120ARGCT |
![]() Texas Instruments |
![]() Supervisory Circuits 12-Rail Pwr Supply Sequencer & Mon |
![]() Data Sheet |
![]()
|
|
||||||||||||
![]() |
![]() UCD90120EVM |
![]() Texas Instruments |
![]() Power Management IC Development Tools UCD90120 Eval Mod |
![]() Data Sheet |
![]()
|
|
||||||||||||
![]() |
![]() UCD90124ARGCT |
![]() Texas Instruments |
![]() Supervisory Circuits 12-Rail Sequencer & Sys Health Mon |
![]() Data Sheet |
![]()
|
|
||||||||||||
![]() |
![]() UCD90124EVM |
![]() Texas Instruments |
![]() Power Management IC Development Tools UCD90124 Eval Mod |
![]() Data Sheet |
![]() Negotiable |
|
||||||||||||
![]() |
![]() UCD90SEQ64EVM-650 |
![]() Texas Instruments |
![]() Power Management IC Development Tools UCD90xxx Eval Mod |
![]() Data Sheet |
![]()
|
|
||||||||||||
(China (Mainland))










