Product Summary
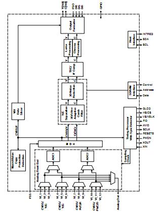
The TVP5160PNP is a high quality, digital video decoder that digitizes and decodes all popular baseband analog video formats into digital component video. The TVP5160PNP decoder supports the A/D conversion of component YPbPr and RGB (SCART) signals, as well as the A/D conversion and decoding of NTSC, PAL, and SECAM composite and S-Video into component YCbCr. Additionally, component progressive signals can be digitized. The TVP5160PNP includes two 11-bit, 60-MSPS, A/D converters (ADCs). Prior to each ADC, each analog channel contains an analog circuit, which clamps the input to a reference voltage and applies a programmable gain and offset. Applications include: Digital TV, LCD TV/Monitors, DVD-R, PVR, PC Video Cards, Video Capture/Video Editing, Video Conferencing.
Parametrics
TVP5160PNP absolute maximum ratings: (1)Supply voltage range: IOVDD to IOGND: -0.5 V to 4.0 V; DVDD to DGND: -0.2 V to 2.0 V; A33VDD to A33GND: -0.3 V to 3.6 V; (2)A18VDD to A18GND: -0.2 V to 2.0 V; (3)Digital input voltage range, VI to DGND: -0.5 V to 4.5 V; (4)Digital output voltage range, VO to DGND: -0.5 V to 4.5 V; (5)Analog input voltage range AIN to AGND: -0.2 V to 2.0 V; (6)Operating free-air temperature, TA: 0 to 70℃; (7)Storage temperature, Tstg: -65 to 150℃.
Features
TVP5160PNP features: (1)Two 11-Bit, 60-MSPS, A/D Converters with Analog Preprocessors (Clamp/AGC); (2)Fixed RGB-to-YUV Color Space Conversion; (3)Robust Sync Detection for Weak and Noisy Signals as well as VCR; (4)Supports NTSC (J, M, 4.43), PAL (B, D, G, H, I, M, N, Nc, 60) and SECAM (B, D, G, K, K1, L) CVBS, S-Video; (5)Supports Component Standards 480i, 576i, 480p, and 576p; (6)Supports ITU-R BT.601 Pixel Sampling Frequencies; (7)Supports 3D Y/C Separation, or 2D 5-Line (5H) Adaptive Comb and Chroma Trap Filter for both PAL and NTSC Signals; (8)Concurrent Temporal, Frame Recursive, Noise Reduction (3DNR); (9)IF Compensation; (10)Line-Based Time Base Correction (TBC); (11)Fast Switch 4x Oversampled Input for Digital RGB Overlay Switching Between Any CVBS, S-Video, or Component Video Input; (12)SCART 4× Oversampled Fast Switching Between Component RGB Input and CBVS Input; (13)Analog Video Output; (14)Chrominance Processor; (15)Luminance Processor; (16)Clock/Timing Processor and Power-Down Control; (17)Output Formatter Supports Both ITU-R BT.656 (Embedded Syncs) and ITU-R BT.601 (4:2:2 With Discrete Syncs); (18)I2C Host Port Interface; (19)VBI Data Processor; (20)Blue Screen (Programmable Color) Output; (21)Macrovision Copy Protection Detection Circuit (Types 1, 2, and 3) on Both Interlaced and Progressive Signal.
Diagrams

| Image | Part No | Mfg | Description | ![]() |
Pricing (USD) |
Quantity | ||||||||||||
|---|---|---|---|---|---|---|---|---|---|---|---|---|---|---|---|---|---|---|
![]() |
![]() TVP5160PNP |
![]() Texas Instruments |
![]() Video ICs NTSC/PAL/SECAM/Comp 10B Dig Vid Decoder |
![]() Data Sheet |
![]()
|
|
||||||||||||
| Image | Part No | Mfg | Description | ![]() |
Pricing (USD) |
Quantity | ||||||||||||
![]() |
![]() TVP5021PFP |
![]() Texas Instruments |
![]() Video ICs NTSC/PAL DIGITAL VIDEO DECODER |
![]() Data Sheet |
![]() Negotiable |
|
||||||||||||
![]() |
![]() TVP5021PFPG4 |
![]() Texas Instruments |
![]() Video ICs NTSC/PAL DIGITAL VIDEO DECODER |
![]() Data Sheet |
![]() Negotiable |
|
||||||||||||
![]() |
![]() TVP5022 |
![]() Other |
![]() |
![]() Data Sheet |
![]() Negotiable |
|
||||||||||||
![]() |
![]() TVP5031 |
![]() Other |
![]() |
![]() Data Sheet |
![]() Negotiable |
|
||||||||||||
![]() |
![]() TVP5146M2IPFP |
![]() Texas Instruments |
![]() Video ICs 10B Hi Qual Sgl-Chip Dig Video Decoder |
![]() Data Sheet |
![]()
|
|
||||||||||||
![]() |
![]() TVP5147M1PFP |
![]() Texas Instruments |
![]() Video ICs 10B High Qual S-Chip Dig Vid Decoder |
![]() Data Sheet |
![]()
|
|
||||||||||||
(China (Mainland))










