Product Summary
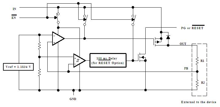
The TPS75318QPWP is a low dropout regulator with integrated power-on reset and power-good (PG) functions respectively. The TPS75318QPWP is capable of supplying 1.5 A of output current with a dropout of 160 mV. Quiescent current is 75 μA at full load and drops down to 1 μA when the device is disabled. The TPS75318QPWP is designed to have fast transient response for larger load current changes.
Parametrics
TPS75318QPWP absolute maximum ratings: (1)Input voltage range, VI: -0.3 V to 6.0 V; (2)Voltage range at EN: -0.3 V to 16.5 V; (3)Maximum PG voltage (TPS751xxQ): 16.5 V; (4)Maximum RESET voltage (TPS753xxQ): 16.5 V; (5)Peak output current: Internally limited; (6)Continuous total power dissipation: See dissipation rating tables; (7)Output voltage, VO (OUTPUT, FB): 5.5 V; (8)Operating virtual junction temperature range, TJ: -40℃ to 125℃; (9)Storage temperature range, Tstg: -65℃ to 150℃; (10)ESD rating, HBM: 2 kV.
Features
TPS75318QPWP features: (1)1.5-A Low-Dropout Voltage Regulator; (2)Available in 1.5-V, 1.8-V, 2.5-V, 3.3-V, Fixed Output and Adjustable Versions; (3)Open Drain Power-Good (PG) Status Output (TPS751xxQ); (4)Open Drain Power-On Reset With 100-ms Delay (TPS753xxQ); (5)Dropout Voltage Typically 160 mV at 1.5 A (TPS75133Q); (6)Ultralow 75 μA Typical Quiescent Current; (7)Fast Transient Response; (8)2% Tolerance Over Specified Conditions For Fixed-Output Versions; (9)20-Pin TSSOP (PWP) PowerPAD Package; (10)Thermal Shutdown Protection.
Diagrams

| Image | Part No | Mfg | Description | ![]() |
Pricing (USD) |
Quantity | ||||||||||||
|---|---|---|---|---|---|---|---|---|---|---|---|---|---|---|---|---|---|---|
![]() |
![]() TPS75318QPWP |
![]() Texas Instruments |
![]() Low Dropout (LDO) Regulators Fast-Tran-Resp 1.5-A |
![]() Data Sheet |
![]()
|
|
||||||||||||
![]() |
![]() TPS75318QPWPREP |
![]() Texas Instruments |
![]() Low Dropout (LDO) Regulators Mil Enh Fast-Trans Resp 1.5A LDO |
![]() Data Sheet |
![]()
|
|
||||||||||||
![]() |
![]() TPS75318QPWPRG4 |
![]() Texas Instruments |
![]() Low Dropout (LDO) Regulators Fast-Tran-Resp 1.5-A |
![]() Data Sheet |
![]()
|
|
||||||||||||
![]() |
![]() TPS75318QPWPRQ1 |
![]() Texas Instruments |
![]() Low Dropout (LDO) Regulators Fast-Trans-Resp 1.5A LDO Vltg Reg |
![]() Data Sheet |
![]() Negotiable |
|
||||||||||||
![]() |
![]() TPS75318QPWPR |
![]() Texas Instruments |
![]() Low Dropout (LDO) Regulators Fast-Tran-Resp 1.5-A |
![]() Data Sheet |
![]()
|
|
||||||||||||
![]() |
![]() TPS75318QPWPG4 |
![]() Texas Instruments |
![]() Low Dropout (LDO) Regulators Fast-Tran-Resp 1.5-A |
![]() Data Sheet |
![]()
|
|
||||||||||||
(China (Mainland))









