Product Summary
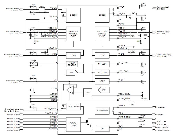
The TPS65181RGZR is a Power Management IC designed to for E Ink Vizplex displays used in portable e-reader applications and support panel sizes up to 9.7 inches. Two high efficiency DC/DC boost converters generate ±17-V rails which are boosted to 22 V and –20 V by two change pumps to provide the gate driver supply for the Vizplex panel. Two tracking LDOs create the ±15-V source driver supplies which support up to 120-mA of output current. The applications of the TPS65181RGZR include Power Supply for Active Matrix E Ink, Vizplex Panels EPD Power Supply, E-Book Readers, EPSON S1D13522 (ISIS) Timing Controller, EPSON S1D13521 (Broadsheet) Timing Controller, Application Processors With Integrated or, Software Timing Controller (OMAP).
Parametrics
TPS65181RGZR absolute maximum ratings: (1)Input voltage range at VIN, VINP, VIN3P3: -0.3 to 7 V; (2)Ground pins to system ground: -0.3 to 0.3 V; (3)Voltage range at SDA, SCL, WAKEUP, PWR3, PWR2, PWR1, PWR0, VCOM_CTRL, VDDH_FB, VEE_FB, PWR_GOOD, nINT: -0.3 to 3.6 V ; (4)VCOM_XADJ: -3.6 to 0.3 V; (5)Voltage on VB, VB_SW, VPOS_IN, VDDH_IN: -0.3 to 20 V; (6)Voltage on VN, VNEG_IN, VEE_IN, VCOM_PWR: -20 to 0.3 V; (7)Voltage from VINP to VN_SW: -0.3 to 30 V; (8)Peak output current: Internally limited mA; (9)Continuous total power dissipation: 2 W; (10)θJA, Junction-to-ambient thermal resistance: 23℃/W; (11)TJ, Operating junction temperature: -10 to 125℃; (12)TA, Operating ambient temperature: -10 to 85℃; (13)Tstg Storage temperature: -65 to 150℃; (14)ESD rating, (HBM) Human body model: ±2000V; (CDM) Charged device model ±500V.
Features
TPS65181RGZR features: (1)Single Chip Power Management Solution for E Ink Vizplex Electronic Paper Displays; (2)Generates Positive and Negative Gate and Source Driver Voltages and Back-Plane Bias from a Single, Low-Voltage Input Supply; (3)3-V to 6-V Input Voltage Range; (4)Boost Converter for Positive Rail Base; (5)Inverting Buck-Boost Converter for Negative Rail Base; (6)Two Adjustable LDOs for Source Driver Supply, LDO1: 15 V, 120 mA (VPOS); LDO2: –15 V, 120 mA (VNEG); (7)Accurate Output Voltage Tracking, VPOS - VNEG = ±50 mV; (8)Two Charge Pumps for Gate Driver Supply, CP1: 22 V, 10 mA (VDDH); CP2: –20 V, 12 mA, (VEE); (9)Adjustable VCOM Driver for Accurate; (10)Panel-Backplane Biasing, -0.3 V to -2.5 V; ±1.5% Accuracy (±18 mV); 8-Bit Control (11-mV Nominal Step Size); 15-mA Max Integrated Switch; (11)Integrated 3.3-V Power Switch for Disabling System Power Rail; (12)Thermistor Monitoring, -10℃ to 85℃ Temperature Range; ±1℃ Accuracy from 0℃ to 50℃; (13)I2C Serial Interface, Slave Address 0x48h (1001000); (14)Flexible Power-Up Sequencing; (15)Interrupt and Sleep Mode Support; (16)Thermally Enhanced Package for Efficient; (17)Heat Management (48-Pin 7 mm x 7 mm x 0.9 mm QFN).
Diagrams

| Image | Part No | Mfg | Description | ![]() |
Pricing (USD) |
Quantity | ||||||||||||
|---|---|---|---|---|---|---|---|---|---|---|---|---|---|---|---|---|---|---|
![]() |
![]() TPS65181RGZR |
![]() Texas Instruments |
![]() LCD Gamma Buffers Pwr Mgmt IC for Elec Paper Display |
![]() Data Sheet |
![]()
|
|
||||||||||||
| Image | Part No | Mfg | Description | ![]() |
Pricing (USD) |
Quantity | ||||||||||||
![]() |
![]() TPS60100 |
![]() Other |
![]() |
![]() Data Sheet |
![]() Negotiable |
|
||||||||||||
![]() |
![]() TPS60100EVM-131 |
![]() Texas Instruments |
![]() Power Management IC Development Tools 2 batt cells |
![]() Data Sheet |
![]()
|
|
||||||||||||
![]() |
![]() TPS60100PWP |
![]() Texas Instruments |
![]() Charge Pumps Reg 3.3V Lo-Ns Chrg Pump DC-DC Cnvtr |
![]() Data Sheet |
![]()
|
|
||||||||||||
![]() |
![]() TPS60100PWPG4 |
![]() Texas Instruments |
![]() Charge Pumps Reg 3.3V Lo-Ns Chrg Pump DC-DC Cnvtr |
![]() Data Sheet |
![]()
|
|
||||||||||||
![]() |
![]() TPS60100PWPR |
![]() Texas Instruments |
![]() Charge Pumps Reg 3.3V Lo-Ns Chrg Pump DC-DC Cnvtr |
![]() Data Sheet |
![]()
|
|
||||||||||||
![]() |
![]() TPS60100PWPRG4 |
![]() Texas Instruments |
![]() Charge Pumps Reg 3.3V Lo-Ns Chrg Pump DC-DC Cnvtr |
![]() Data Sheet |
![]()
|
|
||||||||||||
(China (Mainland))










