Product Summary
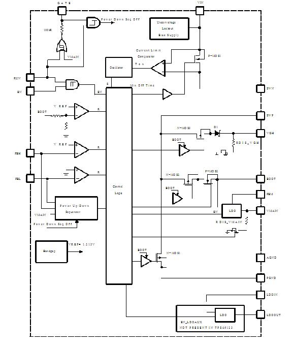
The TPS65124RGTR is a DC-DC converter supplies all three voltages required by amorphous-silicon (a-Si) andlow-temperature poly-silicon (LTPS) TFT-LCD displays. The compact layout of the TPS65124RGTR uses a singleinductor to generate independently-regulated positive and negative outputs. A free-running variable peak currentPWM control scheme time-multiplexes the inductor between outputs. The applications of the TPS65124RGTR include Small Form Factor a-Si and LTPS TFT LCD, Cell Phones, Smart Phones, PDAs, Pocket PCs, Portable DVD, Digital-Still Cameras, Camcorders, Handheld Instruments, Portable GPS, Car Navigation Systems.
Parametrics
TPS65124RGTR absolute maximum ratings: (1)Input voltage(2), VIN: -0.3 V to +6 V; SWN: VIN - 24 V to VIN +0.3 V; SWP: -0.3 V to +23 V; (2)Voltage(2), VGH: - 0.3 V to +21 V; VMAIN, LDOIN, LDOOUT, ENVGL, ENVGH: -0.3 V to +6 V; BOOT: -0.3 V to +6.2 V; (3)Input voltage at GATE, EN, RUN (2): -0.3 V to VIN + 0.3 V; (4)Power dissipation: Internally limited; (5)Operating temperature range: -40℃ to 85℃; (6)Maximum operating junction temperature, TJ(max): 135℃; (7)Storage temperature range: -65℃ to 150℃.
Features
TPS65124RGTR features: (1)Main Output, VMAIN, Adjustable Voltage, 3.0 V to 5.6 V/25 mA; Post-Regulated for Low Ripple (5mVPP); Efficiency up to 83%; (2)Positive Output, VGH, Adjustable Voltage down to -18 V/2 mA; ± 3% Typical Accuracy; (3)Auxiliary 1.8 V/3.3 V Linear Regulator; (4)Automatic or Programmable Power Sequencing; (5)Complete 1 mm Component Profile Solution; (6)2.5 V to 5.5 V Input Voltage Range; (7)Output Short Circuit Protected; (8)16-Pin QFN Package (3× 3 × 0,9 mm).
Diagrams

| Image | Part No | Mfg | Description | ![]() |
Pricing (USD) |
Quantity | ||||||||||
|---|---|---|---|---|---|---|---|---|---|---|---|---|---|---|---|---|
![]() |
![]() TPS65124RGTR |
![]() Texas Instruments |
![]() Other Power Management Sg-Inductor Trp-Otp |
![]() Data Sheet |
![]()
|
|
||||||||||
![]() |
![]() TPS65124RGTRG4 |
![]() Texas Instruments |
![]() Other Power Management Sg-Inductor Trp-Otp |
![]() Data Sheet |
![]()
|
|
||||||||||
(China (Mainland))









