Product Summary
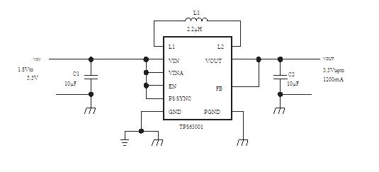
The TPS63002DRCR is a high efficient single inductor buck-boost converter. The TPS63002DRCR provides a power supply solution for products powered by either a two-cell or three-cell alkaline, NiCd or NiMH battery, or a Low Output Powerone-cell Li-Ion or Li-polymer battery. Output currents can go as high as 1200 mA while using a single-cell Li-Ion or Li-Polymer Battery, and discharge it down to 2.5V or lower. The buck-boost converter is based on a fixed frequency, pulse-width-modulation (PWM) controller using synchronous rectification to obtain maximum efficiency. The applications of the TPS63002DRCR include All Two-Cell and Three-Cell Alkaline, NiCd or23 NiMH or Single-Cell Li Battery Powered Products, Portable Audio Players, PDAs, Cellular Phones, Personal Medical Products, White LEDs.
Parametrics
TPS63002DRCR absolute maximum ratings: (1)Input voltage range on VIN, VINA, L1, L2, VOUT, PS/SYNC, EN, FB: -0.3 V to 7 V; (2)Operating virtual junction temperature range, TJ: -40℃ to 150℃; (3)Storage temperature range Tstg: -65℃ to 150℃.
Features
TPS63002DRCR features: (1)Up to 96% Efficiency; (2)1200-mA Output Current at 3.3V in Step Down mode; (3)Up to 800-mA Output Current at 3.3V in Boost mode; (4)Automatic Transition between Step Down and Boost Mode; (5)Device Quiescent Current less than 50μA; (6)Input Voltage Range: 1.8V to 5.5V; (7)Fixed and Adjustable Output Voltage Options from 1.2V to 5.5V; (8)Power Save Mode for Improved Efficiency at Low Output Power; (9)Forced Fixed Frequency Operation and Synchronization possible; (10)Load Disconnect During Shutdown; (11)Over-Temperature Protection; (12)Available in Small 3 mm × 3 mm, QFN-10 Package.
Diagrams

| Image | Part No | Mfg | Description | ![]() |
Pricing (USD) |
Quantity | ||||||||||||
|---|---|---|---|---|---|---|---|---|---|---|---|---|---|---|---|---|---|---|
![]() |
![]() TPS63002DRCR |
![]() Texas Instruments |
![]() DC/DC Switching Regulators 96% Buck-Boost Conv |
![]() Data Sheet |
![]()
|
|
||||||||||||
![]() |
![]() TPS63002DRCRG4 |
![]() Texas Instruments |
![]() DC/DC Switching Regulators 96% Buck-Boost Converter |
![]() Data Sheet |
![]()
|
|
||||||||||||
(China (Mainland))









