Product Summary
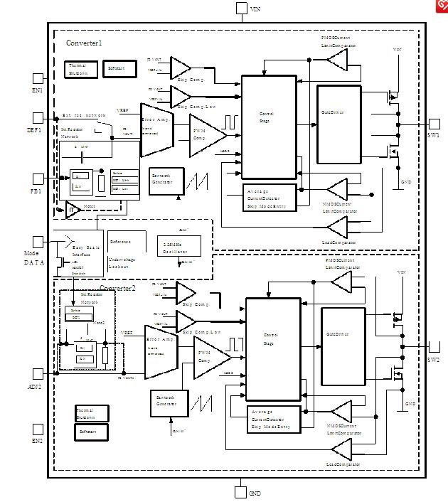
The TPS62403DRCT is a synchronous dual step-down DC-DC converter optimized for battery powered portable applications. The device provides two independent output voltage rails powered by 1-cell Li-Ion or 3-cell NiMH/NiCD batteries. The device is also suitable to operate from a standard 3.3V or 5V voltage rail. The applications of the TPS62403DRCT include Cell Phones, Smart-Phones, WLAN and Bluetooth, Applications, Micro DC-DC Converter Modules, PDAs, Pocket PCs, USB-Based DSL Modems, Digital Cameras.
Parametrics
TPS62403DRCT absolute maximum ratings: (1)Input voltage range on VIN(2): -0.3 to 7V; (2)Voltage range on EN, MODE/DATA, DEF_1: -0.3 to VIN +0.3,≤7V; (3)current into MODE/DATA: -0.5mA; (4)Voltage on SW1, SW2: -0.3 to 7V; (5)Voltage on ADJ2, FB1: -0.3 to VIN +0.3,≤7V; (6)ESD rating(3), HBM Human body model: 2kV; Charge device model CDM: 1kV; Machine model: 200V; (7)TJ(max), Maximum operating junction temperature: 150℃TA, Operating ambient temperature range: -40 to 85℃; (8)Tstg, Storage temperature range: -65 to 150℃.
Features
TPS62403DRCT features: (1)High Efficiency—Up to 95%; (2)VIN Range From 2.5 V to 6 V; (3)2.25 MHz Fixed Frequency Operation; (4)Output Current 400 mA and 600 mA; (5)Adjustable Output Voltage From 0.6V to Vin; (6)EasyScale Optional One-Pin Serial Interface for Dynamic Output Voltage Adjustment; (7)TPS62401, TPS62403 Fixed Output Voltage Options; (8)Power Save Mode at Light Load Currents; (9)180° Out of Phase Operation; (10)Output Voltage Accuracy in PWM Mode ±1%; (11)Typical 32-μA Quiescent Current for both converters; (12)100% Duty Cycle for Lowest Dropout; (13)One Pin Simple Dynamic Voltage Scaling; (14)Available in a 10-Pin QFN (3×3mm).
Diagrams

| Image | Part No | Mfg | Description | ![]() |
Pricing (USD) |
Quantity | ||||||||||||
|---|---|---|---|---|---|---|---|---|---|---|---|---|---|---|---|---|---|---|
![]() |
![]() TPS62403DRCT |
![]() Texas Instruments |
![]() DC/DC Switching Regulators Dl Channel Step-Down Converter |
![]() Data Sheet |
![]()
|
|
||||||||||||
![]() |
![]() TPS62403DRCTG4 |
![]() Texas Instruments |
![]() DC/DC Switching Regulators Dl Channel Step-Down Converter |
![]() Data Sheet |
![]()
|
|
||||||||||||
(China (Mainland))








