Product Summary
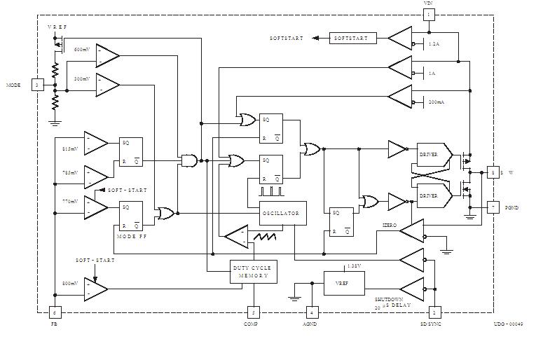
The TPS62100D is a low-power high-efficiency buck converter designed to operate from 1 or 2 li-ion cell battery packs. This part, with its wide input range of 2.5 V to 9 V, has an adjustable output from 0.8 V to 8 V and is capable of 500-mA output current. The TPS62100D is available in four different operating frequencies: 300 kHz, 600 kHz, 1 MHz, and 2 MHz. The circuit can beallowed to run at a fixed frequency, or sychronized, using the dual function SD/SYNC input pin. The applications of the TPS62100D include Cellular Telephones, Satellite Telephones, GPS Devices, Digital Still Cameras, PDAs and Handheld Cameras.
Parametrics
TPS62100D absolute maximum ratings: (1)VIN input supply voltage: -0.3 V to 10 V; (2)SD/SYNC input voltage: -0.3 V to VIN + 0.3 V; (3)MODE input voltage: -0.3 V to VIN + 0.3 V; (4)COMP input voltage: -0.3 V to 10 V; (5)SW output voltage: -0.3 V to VIN + 0.3 V; (6)SW output current: 1.6 A; (7)Operating junction temperature: -40℃ to +150℃; (8)Storage temperature: -65℃ to +150℃.
Features
TPS62100D features: (1)2.5-V to 9-V Input Range; (2)0.8-V to 8-V Output Range; (3)Dual-Auto-Mode for High-Efficiency at Light Loads; (4)Externally Synchronizable; (5)0% to 100% Duty Cycle; (6)Low-Quiescient, Standby, and Shutdown Currents; (7)8-Pin SOIC Package; (8)Four PWM Frequency Versions (Maximum 2 MHz).
Diagrams

| Image | Part No | Mfg | Description | ![]() |
Pricing (USD) |
Quantity | ||||||||||||
|---|---|---|---|---|---|---|---|---|---|---|---|---|---|---|---|---|---|---|
![]() |
![]() TPS62100DRG4 |
![]() Texas Instruments |
![]() Switching Converters, Regulators & Controllers Multimd 300kHz Sync Sync Buck Converter |
![]() Data Sheet |
![]() Negotiable |
|
||||||||||||
![]() |
![]() TPS62100DR |
![]() Texas Instruments |
![]() Switching Converters, Regulators & Controllers Multimd 300kHz Sync Sync Buck Converter |
![]() Data Sheet |
![]() Negotiable |
|
||||||||||||
![]() |
![]() TPS62100DG4 |
![]() Texas Instruments |
![]() DC/DC Switching Regulators MULTIMODE LOW-Pwr BUCK Cntrlr |
![]() Data Sheet |
![]()
|
|
||||||||||||
![]() |
![]() TPS62100D |
![]() Texas Instruments |
![]() DC/DC Switching Regulators Multimd 300kHz Sync Sync Buck Converter |
![]() Data Sheet |
![]()
|
|
||||||||||||
(China (Mainland))









