Product Summary
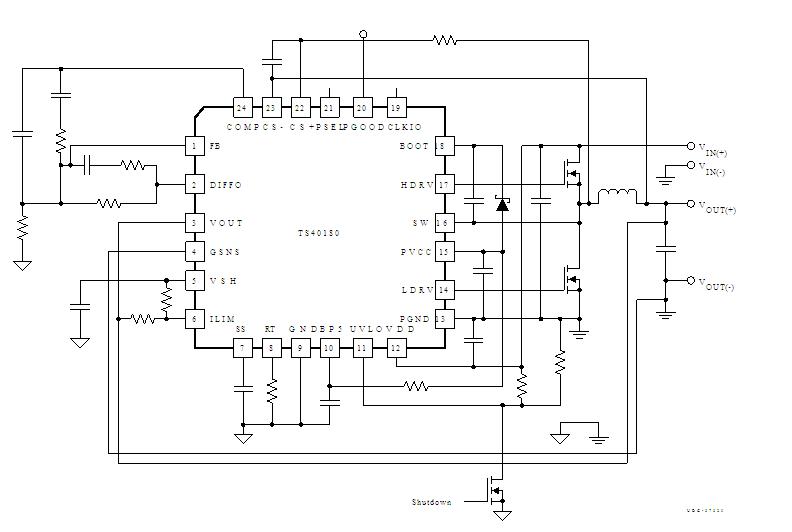
The TPS40180RGER is a stackable single-phase synchronous buck controller. Stacking allows amodular power supply design where multiple modules can be connected in parallel to achieve the desiredSharing (Patents Pending output power capability if the output power requirement cannot be provided by one module. Stacked modules can be configured to switch at different times while running at the same basefrequency creating a multiple phase supply. Up to eight phases can be configured, and multiple modules can be set up to switch on the same phaseif required. The applications of the TPS40180RGER include Graphic Cards, Servers, Networking Equipment, Telecommunications Equipment, Distributed DC Power Systems.
Parametrics
TPS40180RGER absolute maximum ratings: (1)VI, Input voltage range, VDD, UVLO, RT, SS: -0.3 to 16V; VFB, VOUT, GSNS, VSH, ILIM, BP5, PSEL, CS+, CS–, VS+, VS–: -0.3 to 6V; (2)VO, Output voltage range, BOOT-HDRV: -0.3 to 6V; SW, HDRV: -1 to 44V; SW, HDRV, transient < 50 ns: -5 to 44V; DIFFO, LDRV, PVCC, CLKIO, PGOOD, COMP: -0.3 to 6V; PGOOD (eTrim usage only): -0.3 to 22V; (3)TJ, Operating junction temperature range: -40 to 150℃Tstg, Storage temperature range: -55 to 150℃.
Features
TPS40180RGER features: (1)Stackable to 8 Phases, Multiple Controllers Can Occupy Any Phase; (2)2-V to 40-V Power Stage Operation Range; (3)eTrim in System Reference Voltage Trim to Tighten Overall Output Voltage Tolerance, Reference is Better Than 0.75% Un-Trimmed; (4)VDD From 4.5 V to 15 V, With Internal 5-V Regulator; (5)Supports Output Voltage From 0.7 V to 5.8 V; (6)Supports Pre-Biased Outputs; (7)10-μA Shutdown Current; (8)Programmable Switching Frequency up to 1-MHz per Phase; (9)Current Feedback Control With Forced Current Sharing (Patents Pending); (10)Resistive Divider Sets Input Undervoltage Lockout and Hysteresis; (11)True Remote Sensing Differential Amplifier; (12)Resistive or Inductor’s DCR Current Sensing.
Diagrams

| Image | Part No | Mfg | Description | ![]() |
Pricing (USD) |
Quantity | ||||||||
|---|---|---|---|---|---|---|---|---|---|---|---|---|---|---|
![]() |
![]() TPS40180RGER |
![]() Texas Instruments |
![]() DC/DC Switching Controllers Single Ph Stackable Controller |
![]() Data Sheet |
![]()
|
|
||||||||
![]() |
![]() TPS40180RGERG4 |
![]() Texas Instruments |
![]() DC/DC Switching Controllers Single Ph Stackable Controller |
![]() Data Sheet |
![]()
|
|
||||||||
(China (Mainland))









