Product Summary
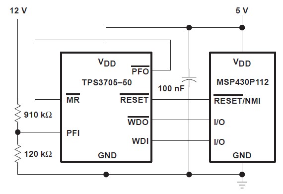
The TPS3705-50D is a processor supervisory circuit with power-fail. It provides circuit initialization and timing supervision, primarily for DSP and processor-based systems. The TPS3705-50D has a watchdog timer that is periodically triggered by a positive or negative transition at WDI. When the supervising system fails to retrigger the watchdog circuit within the time-out interval, tt(out) = 1.6 s, WDO becomes active. The applications of the TPS3705-50D include: Designs Using DSPs, Microcontrollers or Microprocessors, Industrial Equipment, Programmable Controls, Automotive Systems, Portable/Battery Powered Equipment, Intelligent Instruments, Wireless Communication Systems, Notebook/Desktop Computers.
Parametrics
TPS3707-50D absolute maximum ratings: (1)Supply voltage, VDD: 7 V; (2)All other pins: –0.3 V to 7 V; (3)Maximum low output current, IOL: 5 mA; (4)Maximum high output current, IOH : –5 mA; (5)Input clamp current, IIK (VI < 0 or VI > VDD: ±20 mA; (6)Output clamp current, IOK (VO < 0 or VO > VDD): ±20 mA; (7)Operating free-air temperature range, TA: –40℃ to 85℃; (8)Storage temperature range, Tstg: –65℃ to 150℃; (9)Soldering temperature: 260℃.
Features
TPS3707-50D features: (1)Power-On Reset Generator with Fixed Delay Time of 200 ms, no External Capacitor Needed; (2)Precision Supply Voltage Monitor 2.5 V, 3 V, 3.3 V, and 5 V; (3)Pin-For-Pin Compatible with the MAX705 through MAX708 Series; (4)Integrated Watchdog Timer; (5)Voltage Monitor for Power-Fail or Low-Battery Warning; (6)Maximum Supply Current of 50 mA; (7)MSOP-8 and SO-8 Packages; (8)Temperature Range: –40℃ to 85℃.
Diagrams

| Image | Part No | Mfg | Description | ![]() |
Pricing (USD) |
Quantity | ||||||||||||
|---|---|---|---|---|---|---|---|---|---|---|---|---|---|---|---|---|---|---|
![]() |
![]() TPS3707-50D |
![]() Texas Instruments |
![]() Supervisory Circuits 4.55V Monitor |
![]() Data Sheet |
![]()
|
|
||||||||||||
![]() |
![]() TPS3707-50DG4 |
![]() Texas Instruments |
![]() Supervisory Circuits 4.55V Monitor |
![]() Data Sheet |
![]()
|
|
||||||||||||
![]() |
![]() TPS3707-50DGN |
![]() Texas Instruments |
![]() Supervisory Circuits w/ Power-Fail |
![]() Data Sheet |
![]()
|
|
||||||||||||
![]() |
![]() TPS3707-50DGNG4 |
![]() Texas Instruments |
![]() Supervisory Circuits w/ Power-Fail |
![]() Data Sheet |
![]()
|
|
||||||||||||
![]() |
![]() TPS3707-50DGNRG4 |
![]() Texas Instruments |
![]() Supervisory Circuits Processor with Power-Fail |
![]() Data Sheet |
![]()
|
|
||||||||||||
![]() |
![]() TPS3707-50DGNR |
![]() Texas Instruments |
![]() Supervisory Circuits 4.55V Monitor |
![]() Data Sheet |
![]()
|
|
||||||||||||
![]() |
![]() TPS3707-50DR |
![]() Texas Instruments |
![]() Supervisory Circuits Processor with Power-Fail |
![]() Data Sheet |
![]()
|
|
||||||||||||
![]() |
![]() TPS3707-50DRG4 |
![]() Texas Instruments |
![]() Supervisory Circuits Processor with Power-Fail |
![]() Data Sheet |
![]()
|
|
||||||||||||
(China (Mainland))









