Product Summary
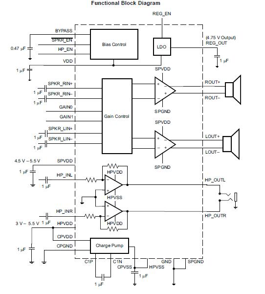
The TPA6040A4RHBR is a stereo audio power amplifier and DirectPath. headphone amplifier in a thermally enhanced, space-saving, 32-pin QFN package. The speaker amplifier is capable of driving 2 W per channel continuously into 4-W loads at 5 V. The headphone amplifier achieves a minimum of 85 mW at 1% THD+N from a 5-V supply. A built-in internal 4-step gain control for the speaker amplifier and a fixed –1.5 V/V gain for the headphone amplifier minimizes external components needed. The applications of the TPA6040A4RHBR include Notebook Computers, Portable DVD.
Parametrics
TPA6040A4RHBR absolute maximum ratings: (1)Supply voltage, HPVDD, VDD, SPVDD, CPVDD: -0.3 to 6 V; (2)VI, Input voltage, SPKR_LIN+, SPKR_LIN-, SPKR_RIN+, SPKR_RIN-, HP_EN,GAIN0, GAIN1, SPK_EN, REG_EN: -0.3 to 6.3V; HP_INL, HP_INR HP Enabled: -3.5 to 3.5 V; HP_INL, HP_INR HP not Enabled: -0.3 to 3.5V; (3)Continuous total power dissipation: See Dissipation Rating Table; (4)TA Operating free-air temperature range: -40 to 85℃; (5)TJ Operating junction temperature range: -40 to 150℃; (6)Tstg Storage temperature range: -65 to 150℃; (7)Lead temperature 1,6 mm (1/16 inch) from case for 10 seconds: 260℃; (8)Electrostatic discharge HBM for HP_OUTL and HP_OUTR: 8 kV; (9)Electrostatic discharge, CDM: 500 V; (10)all other pins HBM: 2 kV.
Features
TPA6040A4RHBR features: (1)Microsoft Windows Vista Compliant; (2)Fully Differential Architecture and High PSRR Provide Excellent RF Rectification Immunity; (3)2-W, 10% THD+N Into 4-W Speakers and 85-mW, 1% THD+N Into 16-W Headphones From 5-V Supply; (4)DirectPath Headphone Amplifier Eliminates Output Capacitors; (5)Internal 4-Step Speaker Gain Control: 6, 10, 15.6, 21.6 dB and Fixed –1.5-V/V Headphone; (6)4.75-V Low Dropout Regulator for CODEC; (7)Independent Shutdown Controls for Speaker, Headphone Amplifier, and Low Dropout Regulator (LDO); (8)Output Short-Circuit and Thermal Protection.
Diagrams

| Image | Part No | Mfg | Description | ![]() |
Pricing (USD) |
Quantity | ||||||||||
|---|---|---|---|---|---|---|---|---|---|---|---|---|---|---|---|---|
![]() |
![]() TPA6040A4RHBR |
![]() Texas Instruments |
![]() Audio Amplifiers 2W Stereo Aud Pwr |
![]() Data Sheet |
![]()
|
|
||||||||||
![]() |
![]() TPA6040A4RHBRG4 |
![]() Texas Instruments |
![]() Audio Amplifiers 2W St Aud Pwr Amp |
![]() Data Sheet |
![]()
|
|
||||||||||
(China (Mainland))









