Product Summary
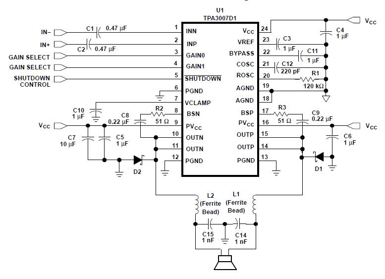
The TPA3007D1PW is a 6.5-W mono bridge-tied load (BTL) class-D audio power amplifier with high efficiency, eliminating the need for heat sinks. The TPA3007D1PW can drive 8-W speakers with only a ferrite bead filter required to reduce EMI. The gain of the amplifier is controlled by two input terminals, GAIN1 and GAIN0. This allows the amplifier to be configured for a gain of 12, 18, 23.6, and 36 dB. The differential input stage provides high common mode rejection and improved power supply rejection. The applications of the TPA3007D1PW include LCD Monitors/TVs, Desktop Replacement Notebook PCs, Hands-Free Car Kits, Powered Speakers.
Parametrics
TPA3007D1PW absolute maximum ratings: (1)Supply voltage: VCC, PVCC: -0.3 V to 21 V; (2)Load impedance, RL: ≥7Ω; (3)Input voltage, SHUTDOWN: -0.3 V to VCC + 0.3 V; GAIN0, GAIN1: -0.3 V to 5.5 V; INN, INP: -0.3 V to 7 V; (4)Continuous total power dissipation: See Dissipation Rating Table; (5)Operating free-air temperature range, TA: -40℃ to 85℃; (6)Operating junction temperature range, TJ: -40℃ to 150℃; (7)Storage temperature range, Tstg: -65℃ to 85℃; (8)Lead temperature 1,6 mm (1/16 inch) from case for 10 seconds: 260℃.
Features
TPA3007D1PW features: (1)6.5 W Into 8-W Load From 12-V Supply (10% THD+N); (2)Short Circuit Protection (Short to VCC, Short to GND, Short Between Outputs); (3)Third-Generation Modulation Technique: Replaces Large LC Filter With Small, Low-Cost Ferrite Bead Filter in Most Applications; Improved Efficiency; Improved SNR; (4)Low Supply Current: 8 mA Typ at 12 V; (5)Shutdown Control: <1 μA Typ.
Diagrams

| Image | Part No | Mfg | Description | ![]() |
Pricing (USD) |
Quantity | ||||||||||||
|---|---|---|---|---|---|---|---|---|---|---|---|---|---|---|---|---|---|---|
![]() |
![]() TPA3007D1PW |
![]() Texas Instruments |
![]() Audio Amplifiers Mono Med Power Filter-Free Class-D |
![]() Data Sheet |
![]()
|
|
||||||||||||
![]() |
![]() TPA3007D1PWG4 |
![]() Texas Instruments |
![]() Audio Amplifiers Mono Med Power Filter-Free Class-D |
![]() Data Sheet |
![]()
|
|
||||||||||||
![]() |
![]() TPA3007D1PWR |
![]() Texas Instruments |
![]() Audio Amplifiers Mono Med Power Filter-Free Class-D |
![]() Data Sheet |
![]()
|
|
||||||||||||
![]() |
![]() TPA3007D1PWRG4 |
![]() Texas Instruments |
![]() Audio Amplifiers Mono Med Power Filter-Free Class-D |
![]() Data Sheet |
![]()
|
|
||||||||||||
(China (Mainland))









