Product Summary
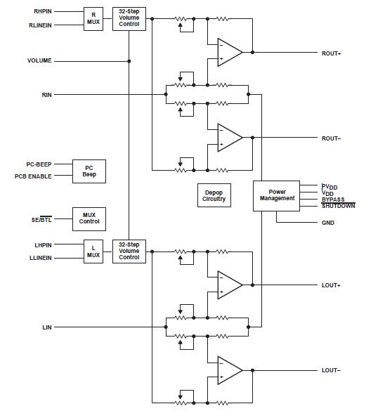
The TPA0132PWPR is a stereo audio power amplifier in a 24-pin TSSOP thermally enhanced package capable of delivering 2 W of continuous RMS power per channel into 3-W loads. This device minimizes the number of external components needed, which simplifies the design and frees up board space for other features. When driving 1 W into 8-W speakers, the TPA0132PWPR has less than 0.4% THD+N across its specified frequency range. Included within this device is integrated depop circuitry that virtually eliminates transients that cause noise in the speakers.
Parametrics
TPA0132PWPR absolute maximum ratings: (1)Supply voltage, VDD: 6 V; (2)Input voltage, VI: -0.3 V to VDD +0.3 V; (3)Continuous total power dissipation: internally limited (see Dissipation Rating Table); (4)Operating free-air temperature range, TA: -40℃ to 85℃; (5)Operating junction temperature range, TJ: -40℃ to 150℃; (6)Storage temperature range, Tstg: -65℃ to 150℃; (7)Lead temperature 1,6 mm (1/16 inch) from case for 10 seconds: 260℃.
Features
TPA0132PWPR features: (1)Compatible With PC 99 Desktop Line-Out Into 10-kW Load; (2)Compatible With PC 99 Portable Into 8-W Load; (3)Internal Gain Control, Which Eliminates External Gain-Setting Resistors; (4)DC Volume Control From +20 dB to –40 dB; (5)2-W/Ch Output Power Into 3-W Load; (6)PC-Beep Input; (7)Depop Circuitry; (8)Stereo Input MUX; (9)Fully Differential Input; (10)Low Supply Current and Shutdown Current; (11)Surface-Mount Power Packaging 24-Pin TSSOP PowerPAD.
Diagrams

| Image | Part No | Mfg | Description | ![]() |
Pricing (USD) |
Quantity | ||||||||
|---|---|---|---|---|---|---|---|---|---|---|---|---|---|---|
![]() |
![]() TPA0132PWPR |
![]() Texas Instruments |
![]() Audio Amplifiers 2W Stereo APA With DC Volume Control |
![]() Data Sheet |
![]()
|
|
||||||||
![]() |
![]() TPA0132PWPRG4 |
![]() Texas Instruments |
![]() Audio Amplifiers 2W Stereo APA With DC Volume Control |
![]() Data Sheet |
![]()
|
|
||||||||
(China (Mainland))









