Product Summary
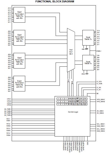
The TMDS442PNPR is a 4-to-2 port DVI/HDMI switch, allows up to 4 digital video interface (DVI) or high-definition multimedia interface (HDMI) ports to be switched to two independent display blocks. The essential requirement of picture-in-picture display from two digital audiovisual sources is having two individual DVI or HDMI receivers in a digital display system. The TMDS442PNPR supports two DVI or HDMI receivers to enable multiple-source selection (picture-in-picture), as well as supports acting as a 4-input 1-output video switch. The applications of the TMDS442PNPR include Digital TV, Digital Projector, Audio Video Receiver, DVI or HDMI Switch.
Parametrics
TMDS442PNPR absolute maximum ratings: (1)Supply voltage range, VCC: -0.5 to 4V; (2)Voltage range, Anm(3), Bnm: 2.5 V to 4 V; Ym, Zm, VSADJ, PRE, Sn, OE, HPDn: -0.5V to 4 V; SCLn, SCL_SINK, SDAn, SDA_SINK, HPD_SINK: -0.5 V to 6 V; Anm, Bnm: 5 kV; (3)Electrostatic discharge, Human body model, All pins 4 kV; Charged-device model (all pins): 1000 V; Machine model (all pins): 250 V; (4)Continuous power dissipation: See Dissipation Rating Table.
Features
TMDS442PNPR features: (1)A 4-to-2 Single-Link or 2-to-1 Dual-Link DVI/HDMI Physical Layer Switch; (2)Compatible with HDMI 1.3a; (3)Supports 2.25 Gbps Signaling Rate for 480i/p, 720i/p, and 1080i/p Resolutions up to 12-Bit Color Depth; (4)Integrated Receiver Terminations; (5)8-dB Receiver Equalizer Compensates for Losses From Standard HDMI Cables; (6)Selectable Output De-Emphasis Compensates for Losses From Flat Cables; (7)High-Impedance Outputs When Disabled; (8)I2C Repeater Isolates Bus Capacitance at Both Ends; (9)TMDS Inputs HBM ESD Protection Exceeds 6kV; (10)3.3-V Supply Operation; (11)128-Pin TQFP Package; (12)ROHS Compatible and 260℃ Reflow Rated.
Diagrams

| Image | Part No | Mfg | Description | ![]() |
Pricing (USD) |
Quantity | ||||||||||
|---|---|---|---|---|---|---|---|---|---|---|---|---|---|---|---|---|
![]() |
![]() TMDS442PNPR |
![]() Texas Instruments |
![]() Video Switch ICs 4-to-2 DVI/HDMI Sw Pwr I/O Exp |
![]() Data Sheet |
![]()
|
|
||||||||||
![]() |
![]() TMDS442PNPRG4 |
![]() Texas Instruments |
![]() Video Switch ICs 4-to-2 DVI/HDMI Sw Pwr I/O Exp |
![]() Data Sheet |
![]()
|
|
||||||||||
(China (Mainland))









