Product Summary
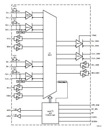
The TMDS261PAGR is a two-port digital video interface (DVI) or high-definition multimedia interface (HDMI) switch that allows up to two DVI or HDMI ports to be switched to a single display terminal. Four TMDS channels, one hot-plug detector, and a digital display control (DDC) interface are supported on each port. Each TMDS channel supports signaling rates up to 3 Gbps to allow 1080p resolution in 16-bit color depth. The TMDS261PAGR provides an adaptive equalizer for different ranges of cable lengths.
Parametrics
TMDS261PAGR absolute maximum ratings: (1)Supply voltage range, VCC: -0.3 to 3.6 V; (2)Voltage range, TMDS I/O -0.3 to 4V; HPD and DDC I/O: -0.3 to 5.5 V; Control and status I/O: -0.3 to 5.5V; (3)Electrostatic discharge, Human body model on SCL[1:2], SDA[1:2], HPD[1:2], D[0:2]+_[1:2], D[0:2]–_[1:2], CLK+_[1:2], CLK–_[1:2] pins: ±10,000V; Human body model on all other pins: ±9,000; Charged-device model: ±1500 V; Machine model: ±200V; IEC 61000-4-2(6), contact discharge: ±8,000V; IEC 61000-4-2(6), air discharge: ±15,000V; (4)Continuous power dissipation: See Dissipation Ratings table.
Features
TMDS261PAGR features: (1)2:1 Switch Supporting DVI Above 1920×1200 and HDMI HDTV Resolutions up to 1080p With 16-bit Color Depth; (2)Designed for Signaling Rates up to 3 Gbps; (3)HDMI1.3a Spec Compliant HDMI Signal; (4)Adaptive Equalization to Support up to 20-m HDMI Cable; (5)TMDS Input Clock-Detect Circuit; (6)DDC Repeater Function; (7)<2 mW Low-Power Mode; (8)Local I2C or GPIO Configurable; (9)Enhanced ESD. HBM: 10 kV on All Input TMDS, DDC I2C, HPD Pins; (10)3.3-Volt Power Supply; (11)64-Pin TQFP Package: Pin-Compatible With TMDS251; (12)Robust TMDS Receive Stage That Can Work With Non-Compliant Input Common-Mode.
Diagrams

| Image | Part No | Mfg | Description | ![]() |
Pricing (USD) |
Quantity | ||||||||||||
|---|---|---|---|---|---|---|---|---|---|---|---|---|---|---|---|---|---|---|
![]() |
![]() TMDS261PAGR |
![]() Texas Instruments |
![]() Video Switch ICs 2 to 1 HDMI Switch |
![]() Data Sheet |
![]()
|
|
||||||||||||
| Image | Part No | Mfg | Description | ![]() |
Pricing (USD) |
Quantity | ||||||||||||
![]() |
![]() TMDS141RHAR |
![]() Texas Instruments |
![]() Display Interface IC HDMI Hider |
![]() Data Sheet |
![]()
|
|
||||||||||||
![]() |
![]() TMDS141RHARG4 |
![]() Texas Instruments |
![]() Display Interface IC HDMI Hider |
![]() Data Sheet |
![]()
|
|
||||||||||||
![]() |
![]() TMDS1MTRPFCKIT |
![]() Texas Instruments |
![]() Power Management IC Development Tools Motor Control and PFC Developer's Kit |
![]() Data Sheet |
![]()
|
|
||||||||||||
![]() |
![]() TMDS250 |
![]() Other |
![]() |
![]() Data Sheet |
![]() Negotiable |
|
||||||||||||
![]() |
![]() TMDS250PAGR |
![]() Texas Instruments |
![]() Video Switch ICs 2-to-1 HDMI Switch |
![]() Data Sheet |
![]()
|
|
||||||||||||
![]() |
![]() TMDS250PAGRG4 |
![]() Texas Instruments |
![]() Video Switch ICs 2-to-1 HDMI Switch |
![]() Data Sheet |
![]()
|
|
||||||||||||
(China (Mainland))










