Product Summary
The TLV2362IDGKR is a high-performance dual operational amplifier builts using an original Texas Instruments bipolar process. The TLV2362IDGKR can be operated at a very low supply voltage (±1 V), while maintaining a wide output swing. The TLV2362IDGKR device offers a dramatically improved dynamic range of signal conditioning in low-voltage systems. The device also provides higher performance than other general-purpose operational amplifiers by combining higher unity-gain bandwidth and faster slew rate. With their low distortion and low-noise performance, these devices are well suited for audio applications.
Parametrics
TLV2362IDGKR absolute maximum ratings: (1)Supply voltage, VCC+: 3.5 V; (2)Supply voltage, VCC-: 3.5 V; (3)Differential input voltage, VID: ±3.5 V; (4)Input voltage, VI (any input): VCC±; (5)Output voltage, VO: ±3.5 V; (6)Output current, IO: 20 mA; (7)Duration of short-circuit current at (or below) 25℃: Unlimited; (8)Package thermal impedance, θJA (see Notes 4 and 5): D package: 97℃/W; DBV package: 206℃/W; DGK package: 172℃/W; P package: 85℃/W; PS package: 95℃/W; PW package: 149℃/W; (9)Operating virtual junction temperature, TJ: 150℃; (10)Lead temperature 1,6 mm (1/16 inch) from case for 10 seconds: 260℃; (11)Storage temperature range, Tstg: -65℃ to 150℃.
Features
TLV2362IDGKR features: (1)Low Supply-Voltage Operation: VCC = ±1 V Min; (2)Wide Bandwidth: 7 MHz Typ at VCC± = ±2.5 V; (3)High Slew Rate: 3 V/μs Typ at VCC± = ±2.5 V; (4)Wide Output Voltage Swing: ±2.4 V Typ at VCC± = ±2.5 V, RL = 10 kΩ; (5)Low Noise: 8 nV/√Hz Typ at f = 1 kHz.
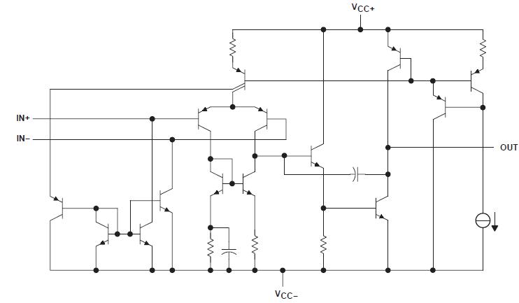
Diagrams

| Image | Part No | Mfg | Description | ![]() |
Pricing (USD) |
Quantity | ||||||||||||
|---|---|---|---|---|---|---|---|---|---|---|---|---|---|---|---|---|---|---|
![]() |
![]() TLV2362IDGKR |
![]() Texas Instruments |
![]() Operational Amplifiers - Op Amps High Perf LV Op Amp |
![]() Data Sheet |
![]()
|
|
||||||||||||
![]() |
![]() TLV2362IDGKRG4 |
![]() Texas Instruments |
![]() Operational Amplifiers - Op Amps High Perf LV Op Amp |
![]() Data Sheet |
![]()
|
|
||||||||||||
(China (Mainland))









