Product Summary
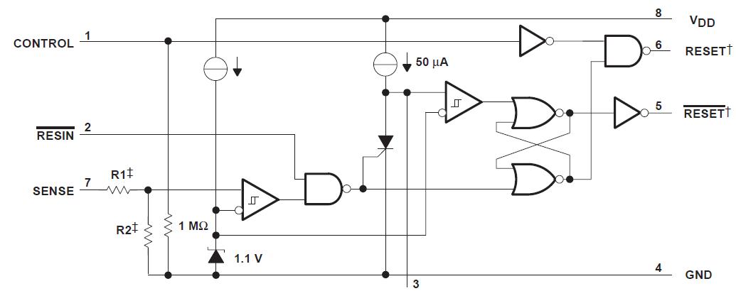
The TLC7733IPWR is a micropower supply voltage supervisor. The TLC7733IPWR provides reset control, primarily in microcomputer and microprocessor systems. During power-on, RESET is asserted when VDD reaches 1 V. After minimum VDD (≥ 2 V) is established, the circuit monitors SENSE voltage and keeps the reset outputs active as long as SENSE voltage (VI(SENSE)) remains below the threshold voltage. An internal timer delays return of the output to the inactive state to ensure proper system reset.
Parametrics
TLC7733IPWR absolute maximum ratings: (1)Supply voltage, VDD (see Note 1): 7 V; (2)Input voltage range, CONTROL, RESIN, SENSE (see Note 1): -0.3 V to 7 V; (3)Maximum low output current, IOL: 10 mA; (4)Maximum high output current, IOH: -10 mA; (5)Input clamp current, IIK (VI < 0 or VI > VDD): ±10 mA; (6)Output clamp current, IOK (VO < 0 or VO > VDD): ±10 mA; (7)Continuous total power dissipation: See Dissipation Rating Table; (8)Operating free-air temperature range, TA: TL77xxI: -40℃ to 85℃; (9)TL77xxQ: -40℃ to 125℃; (10)TL77xxM: -55℃ to 125℃; (11)Storage temperature range, Tstg: -65℃ to 150℃.
Features
TLC7733IPWR features: (1)Power-On Reset Generator; (2)Automatic Reset Generation After Voltage Drop; (3)Precision Voltage Sensor; (4)Temperature-Compensated Voltage Reference; (5)Programmable Delay Time by External Capacitor; (6)Supply Voltage Range: 2 V to 6 V; (7)Defined RESET Output from VDD .1 V; (8)Power-Down Control Support for Static RAM With Battery Backup; (9)Maximum Supply Current of 16 mA; (10)Power Saving Totem-Pole Outputs; (11)Temperature Range: -40℃ to 125℃.
Diagrams

| Image | Part No | Mfg | Description | ![]() |
Pricing (USD) |
Quantity | ||||||||||||
|---|---|---|---|---|---|---|---|---|---|---|---|---|---|---|---|---|---|---|
![]() |
![]() TLC7733IPWR |
![]() Texas Instruments |
![]() Supervisory Circuits 2.93V Monitor |
![]() Data Sheet |
![]()
|
|
||||||||||||
![]() |
![]() TLC7733IPWRG4 |
![]() Texas Instruments |
![]() Supervisory Circuits Sngl SVS f/3.3V Sys w/Prg Time Delay |
![]() Data Sheet |
![]()
|
|
||||||||||||
(China (Mainland))









