Product Summary
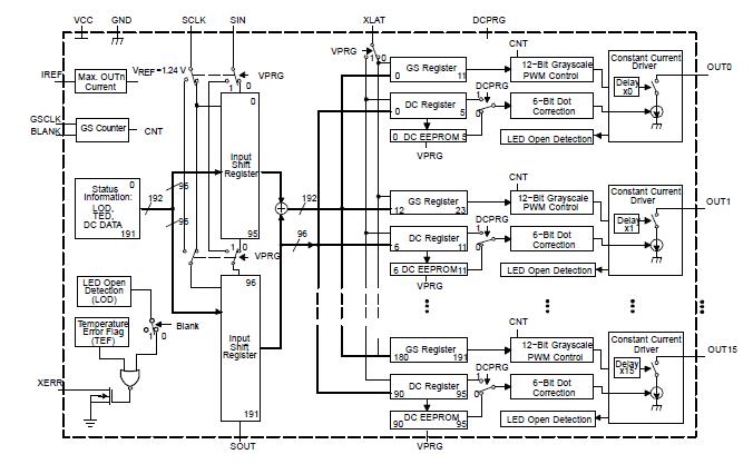
The TLC5940PWP is a 16-channel constant-current sink LED driver. Each channel has an individually adjustable 4096-step grayscale PWM brightness control and a 64-step constant-current sink (dot correction). The dot correction adjusts the brightness variations between LED channels and other LED drivers. The dot correction data is stored in an integrated EEPROM. Both grayscale control and dot correction are accessible via a serial interface. A single external resistor sets the maximum current value of all 16 channels. The applications of the TLC5940PWP include Monocolor, Multicolor, Fullcolor LED Displays, LED Signboards, Display Backlighting, General, High-Current LED Drive.
Parametrics
TLC5940PWP absolute maximum ratings: (1)VI, Input voltage range(2), VCC: -0.3 V to 6 V; (2)IO, Output current (dc): 130 mA; (3)VI, Input voltage range V(BLANK), V(DCPRG), V(SCLK), V(XLAT): -0.3 V to VCC +0.3 V; (4)V(SOUT), V(XERR) -0.3 V to VCC +0.3 V; (5)VO, Output voltage range V(OUT0) to V(OUT15): -0.3 V to 18 V; (6)EEPROM program range V(PRG): -0.3 V to 24 V; (7)EEPROM write cycle: 50; (8)ESD rating, HBM (JEDEC JESD22-A114, Human Body Model) 2 kV; CBM (JEDEC JESD22-C101, Charged Device Model): 500 V; (9)Tstg, Storage temperature range: -55℃ to 150℃; (10)TA, Operating ambient temperature range: -40℃ to 85℃; (11)HTSSOP, (PWP)(4) 31.58°C/W; (12)Package thermal impedance(3) QFN (RHB): 35.9℃/W; PDIP (NP): 48℃/W.
Features
TLC5940PWP features: (1)16 Channels; (2)12 bit (4096 Steps) Grayscale PWM Control; (3)Dot Correction, 6 bit (64 Steps); Storable in Integrated EEPROM; (4)Drive Capability (Constant Current Sink), 0 mA to 60 mA (VCC < 3.6 V); 0 mA to 120 mA (VCC > 3.6 V); (5)LED Power Supply Voltage up to 17 V; (6)VCC = 3 V to 5.5 V; (7)Serial Data Interface, SPI comp; (8)Controlled In-Rush Current; (9)30-MHz Data Transfer Rate; (10)CMOS Level I/O; (11)Error Information, LOD: LED Open Detection; TEF: Thermal Error Flag.
Diagrams

| Image | Part No | Mfg | Description | ![]() |
Pricing (USD) |
Quantity | ||||||||||||
|---|---|---|---|---|---|---|---|---|---|---|---|---|---|---|---|---|---|---|
![]() |
![]() TLC5940PWP |
![]() Texas Instruments |
![]() LED Lighting Drivers 4096 Step Grayscale LED Driver |
![]() Data Sheet |
![]()
|
|
||||||||||||
![]() |
![]() TLC5940PWPG4 |
![]() Texas Instruments |
![]() LED Lighting Drivers 4096 Step Grayscale LED Driver |
![]() Data Sheet |
![]()
|
|
||||||||||||
![]() |
![]() TLC5940PWPR |
![]() Texas Instruments |
![]() LED Lighting Drivers 4096 Step Grayscale LED Driver |
![]() Data Sheet |
![]()
|
|
||||||||||||
![]() |
![]() TLC5940PWPRG4 |
![]() Texas Instruments |
![]() LED Lighting Drivers 4096 Step Grayscale LED Driver |
![]() Data Sheet |
![]()
|
|
||||||||||||
(China (Mainland))









