Product Summary
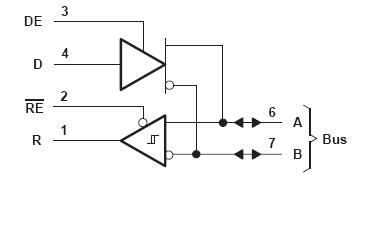
The TL3695DR is a differential bus transceiver. It is designed for bidirectional data communication on multipoint bus-transmission lines. The TL3695DR is designed for balanced transmission lines and meets TIA/EIA-422-B, TIA/EIA-485-A, and ITU Recommendation V.11. The TL3695DR combines a 3-state differential line driver and a differential input line receiver, both of which operate from a single 5-V power supply. The driver and receiver have active-high and active-low enables, respectively, which can be externally connected together to function as a directional control. The driver differential outputs and the receiver differential inputs are connected internally to form a differential input/output (I/O) bus port that is designed to offer minimum loading to the bus when the driver is disabled or VCC = 0. This port features wide positive and negative common-mode voltage ranges, making the device suitable for party line applications. The TL3695DR is characterized for operation from 0 to 70℃.
Parametrics
TL3695DR absolute maximum ratings: (1)Supply voltage, VCC (see Note 1): 7 V; (2)Voltage range at any bus terminal:–10 V to 15 V; (3)Enable input voltage, VI: 5.5 V; (4)Operating free-air temperature range, TA: 0 to 70℃; (5)Package thermal impedance, qJA (see Note 2): D package: 97℃/W; (6)PW package: 85℃/W; (7)Lead temperature 1,6 mm (1/16 inch) from case for 10 seconds: 260℃; (8)Storage temperature range, Tstg:–65℃ to 150℃.
Features
TL3695DR features: (1)Bidirectional Transceiver; (2)Meets or Exceeds the Requirements of TIA/EIA-422-B, TIA/EIA-485-A, and ITU Recommendation V.11; (3)High-Speed Advanced Low-Power Schottky Circuitry; (4)Low Skew: 6 ns Max; (5)Designed for Multipoint Transmission on Long Bus Lines in Noisy Environments; (6)Low Supply-Current Requirements 30mA Max; (7)Wide Positive and Negative Input/Output Bus-Voltage Ranges; (8)Driver Output Capacity ±60mA; (9)Thermal-Shutdown Protection; (10)Driver Positive and Negative Current Limiting; (11)Receiver Input Impedances 12kΩ Min; (12)Receiver Input Sensitivity ±200 mV Max; (13)Receiver Input Hysteresis 120 mV Typ; (14)Fail Safe: High Receiver Output With Inputs Open; (15)Operates From a Single 5-V Supply; (16)Glitch-Free Power-Up and Power-Down Protection; (17)Interchangeable With National DS3695 and DS3695A.
Diagrams

| Image | Part No | Mfg | Description | ![]() |
Pricing (USD) |
Quantity | ||||||||||||
|---|---|---|---|---|---|---|---|---|---|---|---|---|---|---|---|---|---|---|
![]() |
![]() TL3695DR |
![]() Texas Instruments |
![]() Buffers & Line Drivers Differential Bus Transceiver |
![]() Data Sheet |
![]()
|
|
||||||||||||
![]() |
![]() TL3695DRE4 |
![]() Texas Instruments |
![]() Bus Transceivers Differential Bus Transceiver |
![]() Data Sheet |
![]()
|
|
||||||||||||
![]() |
![]() TL3695DRG4 |
![]() Texas Instruments |
![]() Bus Transceivers Diff Bus Xceiver |
![]() Data Sheet |
![]()
|
|
||||||||||||
(China (Mainland))









