Product Summary
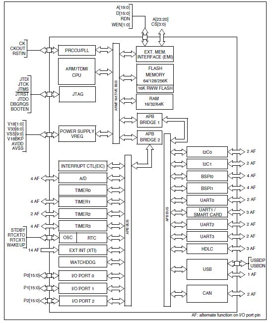
The STR712FR2T6 is an ARM-powered 32-bit Microcontroller with embedded Flash and RAM. It combines the high performance ARM7TDMI CPU with an extensive range of peripheral functions and enhanced I/O capabilities. The STR712FR2T6 device has on-chip high-speed single voltage FLASH memory and high-speed RAM. The STR712FR2T6 has high-speed RAM but no internal Flash. The STR712FR2T6 has an embedded ARM core and is therefore compatible with all ARM tools and software.
Parametrics
STR712FR2T6 absolute maximum ratings: (1)V33: -0.3 to 4.0V; (2)V18BKP: -0.3 to 2.0V; (3)VIN: -0.3 to +5.5V; (4)AVSS: -0.1 to V33+0.1; (5)IOV: -10 to 10V; (6)ITDV: 200mA; (7)Storage Temperature: -55 to 150℃.
Features
STR712FR2T6 features: (1)Up to 256+16 Kbytes Flash memory (100,000 cycles endurance, 20 yrs retention); (2)Up to 64 Kbytes RAM; (3)External Memory Interface (EMI) for up to 4 banks of SRAM, Flash, ROM; (4)Multi-boot capability; (5)3.3V application supply and I/O interface; (6)Internal 1.8V voltage regulator for core supply; (7)0 to 16 MHz external main oscillator; (8)32 kHz external backup oscillator; (9)Embedded PLL for CPU clock; (10)Up to 50 MHz CPU operating frequency when executing from Flash; (11)Realtime Clock for clock-calendar function; (12)4 power saving modes: SLOW, WAIT, STOP and STANDBY modes.
Diagrams

| Image | Part No | Mfg | Description | ![]() |
Pricing (USD) |
Quantity | ||||||||||||
|---|---|---|---|---|---|---|---|---|---|---|---|---|---|---|---|---|---|---|
![]() |
![]() STR712FR2T6 |
![]() STMicroelectronics |
![]() ARM Microcontrollers (MCU) 256K Flash 64K RAM |
![]() Data Sheet |
![]()
|
|
||||||||||||
| Image | Part No | Mfg | Description | ![]() |
Pricing (USD) |
Quantity | ||||||||||||
![]() |
![]() STR7000 |
![]() Other |
![]() |
![]() Data Sheet |
![]() Negotiable |
|
||||||||||||
![]() |
![]() STR7001 |
![]() Other |
![]() |
![]() Data Sheet |
![]() Negotiable |
|
||||||||||||
![]() |
![]() STR710 |
![]() Other |
![]() |
![]() Data Sheet |
![]() Negotiable |
|
||||||||||||
![]() |
![]() STR710-EVAL |
![]() STMicroelectronics |
![]() Development Boards & Kits - ARM STR71X Eval Board |
![]() Data Sheet |
![]()
|
|
||||||||||||
![]() |
![]() STR710F |
![]() Other |
![]() |
![]() Data Sheet |
![]() Negotiable |
|
||||||||||||
![]() |
![]() STR710FZ1H6 |
![]() STMicroelectronics |
![]() ARM Microcontrollers (MCU) MCU 256KB STR71x ARM7TDMI |
![]() Data Sheet |
![]()
|
|
||||||||||||
(China (Mainland))










