Product Summary
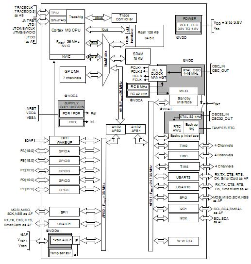
The STM32F101C8T6 is a Medium-density access line, ARM-based 32-bit MCU with 64 or 128 KB Flash, 6 timers, ADC and 7 communication interfaces.
Parametrics
STM32F101C8T6 absolute maximum ratings: 1)External main supply voltage (including VDDA and VDD):–0.3V to 4.0V; (2)Input voltage on five volt tolerant pin: VSS-0.3V to +5.5V; (3)Input voltage on any other pin:VSS-0.3V to VDD+0.3V; (4)Variations between different VDD power pins:50mV; (5)Variations between all the different ground pins:50mV.
Features
STM32F101C8T6 features: (1)36 MHz maximum frequency,1.25 DMIPS/MHz (Dhrystone 2.1) performance at 0 wait state memory access; (2)Single-cycle multiplication and hardware division; (3)64 to 128 Kbytes of Flash memory; (4)10 to 16 Kbytes of SRAM; (5)2.0 to 3.6 V application supply and I/Os; (6)POR, PDR and programmable voltage detector (PVD); (7)4-to-16 MHz crystal oscillator; (8)nternal 8 MHz factory-trimmed RC; (9)nternal 40 kHz RC; (10)PLL for CPU clock; (11)32 kHz oscillator for RTC with calibration; (12)Sleep, Stop and Standby modes; (13)VBAT supply for RTC and backup registers.
Diagrams

| Image | Part No | Mfg | Description | ![]() |
Pricing (USD) |
Quantity | ||||||||||||
|---|---|---|---|---|---|---|---|---|---|---|---|---|---|---|---|---|---|---|
![]() |
![]() STM32F101C8T6 |
![]() STMicroelectronics |
![]() ARM Microcontrollers (MCU) 32BIT Cortex M3 64KB 10KB RAM 1X12 ADC |
![]() Data Sheet |
![]()
|
|
||||||||||||
![]() |
![]() STM32F101C8T6TR |
![]() STMicroelectronics |
![]() ARM Microcontrollers (MCU) 32BIT Cortex M3 M/D Access Line |
![]() Data Sheet |
![]()
|
|
||||||||||||
(China (Mainland))









