Product Summary
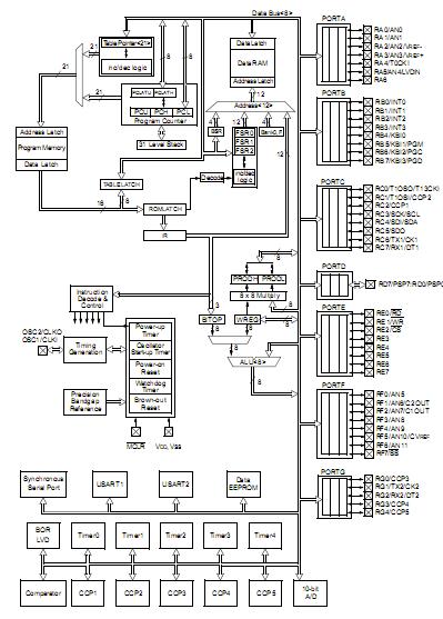
The PIC18LF6620-I/PT is a High Performance 1 Mbit Enhanced FLASH Microcontroller with A/D. It also provides an enhanced range of program memory options and versatile analog features that make the PIC18LF6620-I/PT ideal for complex, high performance applications. The PIC18LF6620-I/PT incorporates a range of serial communications peripherals, including 2 independent USARTs and a Master SSP module, capable of both SPI and I2C (Master and Slave) modes of operation.
Parametrics
PIC18LF6620-I/PT absolute maximum ratings: (1)Ambient temperature under bias:-55℃ to +125℃; (2)Storage temperature:-65℃ to +150℃; (3)Voltage on any pin with respect to VSS (except VDD, MCLR, and RA4):-0.3V to (VDD + 0.3V); (4)Voltage on VDD with respect to VSS:-0.3V to +5.5V; (5)Voltage on MCLR with respect to VSS:0V to +13.25V; (6)Voltage on RA4 with respect to Vss:0V to +12.0V; (7)Total power dissipation:1.0W; (8)Maximum current out of VSS pin:300 mA; (9)Maximum current into VDD pin:250 mA; (10)nput clamp current, IIK (VI < 0 or VI > VDD):±20 mA; (11)Output clamp current, IOK (VO < 0 or VO > VDD):±20 mA; (12)Maximum output current sunk by any I/O pin:25 mA; (13)Maximum output current sourced by any I/O pin:25 mA; (14)Maximum current sunk by all ports:200mA; (15)Maximum current sourced by all ports:200 mA.
Features
PIC18LF6620-I/PT features: (1)High current sink/source 25 mA/25 mA; (2)Four external interrupt pins; (3)Timer0 module: 8-bit/16-bit timer/counter ; (4)Timer1 module: 16-bit timer/counter ; (5)Timer2 module: 8-bit timer/counter ; (6)Timer3 module: 16-bit timer/counter ; (7)Timer4 module: 8-bit timer/counter ; (8)Secondary oscillator clock option - Timer1/Timer3; (9)10-bit, up to 16-channel Analog-to-Digital Converter (A/D): Conversion available during SLEEP; (10)Programmable 16-level Low Voltage Detection (LVD) module:Supports interrupt on Low Voltage Detection; (11)Programmable Brown-out Reset (PBOR); (12)Dual analog comparators:Programmable input/output configuration; (13)100,000 erase/write cycle Enhanced FLASH program memory typical; (14)1,000,000 erase/write cycle Data EEPROM memory typical; (15)1 second programming time; (16)FLASH/Data EEPROM Retention: > 40 years; (17)Self-reprogrammable under software control; (18)Power-on Reset (POR), Power-up Timer (PWRT) and Oscillator Start-up Timer (OST); (19)Watchdog Timer (WDT) with its own On-Chip RC Oscillator for reliable operation; (20)Programmable code protection; (21)Power Saving SLEEP mode.
Diagrams

| Image | Part No | Mfg | Description | ![]() |
Pricing (USD) |
Quantity | ||||||||||||
|---|---|---|---|---|---|---|---|---|---|---|---|---|---|---|---|---|---|---|
![]() |
![]() PIC18LF6620-I/PT |
![]() Microchip Technology |
![]() 8-bit Microcontrollers (MCU) 64KB 3840 RAM 52I/O |
![]() Data Sheet |
![]()
|
|
||||||||||||
| Image | Part No | Mfg | Description | ![]() |
Pricing (USD) |
Quantity | ||||||||||||
![]() |
![]() PIC1018SCL |
![]() Other |
![]() |
![]() Data Sheet |
![]() Negotiable |
|
||||||||||||
![]() |
![]() PIC10F200 |
![]() Other |
![]() |
![]() Data Sheet |
![]() Negotiable |
|
||||||||||||
![]() |
![]() PIC10F200-E/MC |
![]() Microchip Technology |
![]() 8-bit Microcontrollers (MCU) 384B Flash16B RAM 4 I/O |
![]() Data Sheet |
![]()
|
|
||||||||||||
![]() |
![]() PIC10F200-E/OT |
![]() Other |
![]() |
![]() Data Sheet |
![]() Negotiable |
|
||||||||||||
![]() |
![]() PIC10F200-E/P |
![]() Microchip Technology |
![]() 8-bit Microcontrollers (MCU) U 579-PIC10F200-I/P |
![]() Data Sheet |
![]() Negotiable |
|
||||||||||||
![]() |
![]() PIC10F200-I/MC |
![]() Microchip Technology |
![]() 8-bit Microcontrollers (MCU) 0.375KB Fl 16B RAM |
![]() Data Sheet |
![]()
|
|
||||||||||||
(China (Mainland))










