Product Summary
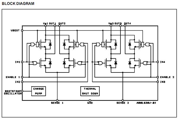
The L6204D is a dual full bridge driver for motor control applications realized in BCD technology which combines isolated DMOS power transistors with CMOS and Bipolar circuits on the same chip. By usingmixed technology the L6204D has been possible to optimize the logic circuitry and the power stage to achieve the best possible performance.
Parametrics
L6204D absolute maximum ratings: (1)VS, Supply Voltage: 50 V; (2)VIN, VEN, Input or Enable Voltage Range: -0.3 to +7 V; (3)Io, Pulsed Output Current: 3 A; (4)VSENSE, Sensing Voltage: -1 to 4 V; (5)VBOOT, Bootstrap Supply: 60 V; (6)Ptot, Total power dissipation: 5W; (7)Tstg,Tj, Storage and Junction Temperature: -40 to 150℃.
Features
L6204D features: (1)supply voltage up to 48V; (2)RDS(ON) 1.2Ω(25℃); (3)cross conduction protection; (4)thermal shutdown; (5)0.5A DC current; (6)TTL/CMOS compatible driver; (7)high efficiency chopping.
Diagrams

| Image | Part No | Mfg | Description | ![]() |
Pricing (USD) |
Quantity | ||||
|---|---|---|---|---|---|---|---|---|---|---|
![]() |
![]() L6204D013TR |
![]() STMicroelectronics |
![]() Motor / Motion / Ignition Controllers & Drivers Dual Full Bridge |
![]() Data Sheet |
![]() Negotiable |
|
||||
![]() |
![]() L6204D |
![]() STMicroelectronics |
![]() Motor / Motion / Ignition Controllers & Drivers Dual Full Bridge |
![]() Data Sheet |
![]() Negotiable |
|
||||
(China (Mainland))









