Product Summary
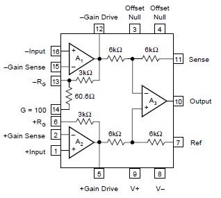
The INA103KP is a very low noise, low distortion monolithic instrumentation amplifier. Its current-feedback circuitry achieves very wide bandwidth and excellent dynamic response. The INA103KP is ideal for low-level audio signals such as balanced low-impedance microphones. The INA103KP provides near-theoretical limit noise performance for 200W source impedances. Many industrial applications also benefit from its low noise and wide bandwidth. The INA103KU is available in 16-pin plastic DIP and SOL-16 surface-mount packages. Commercial and Industrial temperature range models are available.
Parametrics
INA103KP absolute maximum ratings: (1)Power Supply Voltage: ±25V; (2)Input Voltage Range, Continuous: ±VS; (3)Operating Temperature Range: –40℃ to +85℃; (4)Storage Temperature Range: –40℃ to +85℃; (5)Junction Temperature: P, U Package: +125℃; (6)Lead Temperature (soldering, 10s): +300℃; (7)Output Short Circuit to Common: Continuous.
Features
INA103KP features: (1) low noise: 1nV/Hz; (2)low THD+N: 0.0009% at 1kHz, G = 100; (3)high GBW: 100MHz at G = 1000; (4)wide supply range: ±9V to ±25V; (5)high CMRR: >100dB; (6)built-in gain setting resistors: G = 1, 100; (7)upgrades AD625.
Diagrams

| Image | Part No | Mfg | Description | ![]() |
Pricing (USD) |
Quantity | ||||||||||||
|---|---|---|---|---|---|---|---|---|---|---|---|---|---|---|---|---|---|---|
![]() |
![]() INA103KP |
![]() Texas Instruments |
![]() Instrumentation Amplifiers Low-Noise Low-Distortion |
![]() Data Sheet |
![]()
|
|
||||||||||||
![]() |
![]() INA103KPG4 |
![]() Texas Instruments |
![]() Instrumentation Amplifiers Low-Noise Low-Distortion |
![]() Data Sheet |
![]()
|
|
||||||||||||
(China (Mainland))









