Product Summary
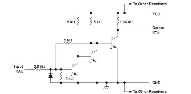
The GD75232DWR is a multiple RS-232 driver and receiver. It combines three drivers and five receivers from the Texas Instruments trade-standard SN75188 and SN75189 bipolar quadruple drivers and receivers, respectively. The bipolar circuits and processing of the GD75232PWR provide a rugged, low-cost solution for this function at the expense of quiescent power and external passive components relative to the SN75C185. The GD75232DWR complies with the requirements of the TIA/EIA-232-F and ITU (formerly CCITT) V.28 standards.
Parametrics
GD75232DWR absolute maximum ratings: (1)Supply voltage: VCC:10 V, VDD:15 V, VSS:-15 V; (2)Input voltage range, VI: Driver:-15 V to 7 V, Receiver:-30 V to 30 V; (3)Driver output voltage range, VO:-15 V to 15 V; (4)Receiver low-level output current, IOL:20 mA; (5)Package thermal impedance:83℃/W; (6)Operating virtual junction temperature:150℃; (7)Storage temperature range:-65℃ to 150℃.
Features
GD75232DWR features: (1)Single Chip With Easy Interface Between UART and Serial-Port Connector of IBM PC/AT and Compatibles; (2)Meet or Exceed the Requirements of TIA/EIA-232-F and ITU v.28 Standards; (3)Designed to Support Data Rates up to 120 kbit/s; (4)Pinout Compatible With SN75C185 and SN75185.
Diagrams

| Image | Part No | Mfg | Description | ![]() |
Pricing (USD) |
Quantity | ||||||||||||
|---|---|---|---|---|---|---|---|---|---|---|---|---|---|---|---|---|---|---|
![]() |
![]() GD75232DWR |
![]() Texas Instruments |
![]() RS-232 Interface IC Mult RS232 Driver |
![]() Data Sheet |
![]()
|
|
||||||||||||
![]() |
![]() GD75232DWRE4 |
![]() Texas Instruments |
![]() RS-232 Interface IC Multiple RS-232 Driver and Receiver |
![]() Data Sheet |
![]()
|
|
||||||||||||
![]() |
![]() GD75232DWRG4 |
![]() Texas Instruments |
![]() RS-232 Interface IC Multiple RS-232 Driver and Receiver |
![]() Data Sheet |
![]()
|
|
||||||||||||
(China (Mainland))









