Product Summary
The AXK6F40547YG is a narrow-pitch connector for board to board connection. It is suitable for cellular phones, DVC, digital cameras, etc.
Parametrics
AXK6F40547YG specifications: (1)Rated current: 0.5A/contact (Max. 10 A at total contacts); (2)Rated voltage: 60V AC/DC; (3)Breakdown voltage: 150V AC for 1 minute at Detection current: 1mA; (4)Insulation resistance: Min. 1,000MΩ (initial) at Using 500V DC megger; (5)Contact resistance: Max. 90mΩ Based on the contact resistance measurement method specified by JIS C 5402.; (6)Composite insertion force: Max. 0.981N/contacts × contacts (initial); (7)Composite removal force: Min. 0.0588N/contacts × contacts; (8)Contact holding force: Min. 0.981N/contact at Measuring the maximum force.As the contact is axially pull out.; (9)Ambient temperature: –55℃ to +85℃ at No freezing at low temperatures; (10)Soldering heat resistance: Max. peak temperature of 260℃ (on the surface of the PC board around the connector terminals) at Infrared reflow soldering; 300℃ within 5 seconds, 350℃ within 3 seconds at Soldering iron; (11)Storage temperature: –55℃ to +85℃ (product only); –40℃ to +50℃ (emboss packing) at No freezing at low temperatures. No dew condensation.; (12)Thermal shock resistance(header and socket mated): 5 cycles, insulation resistance min. 100MΩ, contact resistance max. 90mΩ; (13)Humidity resistance(header and socket mated): 120 hours, insulation resistance min. 100MΩ, contact resistance max. 90mΩ at Bath temperature 40±2℃, humidity 90 to 95% R.H.; (14)Saltwater spray resistance (header and socket mated): 24 hours, insulation resistance min. 100MΩ, contact resistance max. 90mΩ at Bath temperature 35±2℃, saltwarter concentration 5±1%; (15)H2S resistance(header and socket mated): 48 hours, contact resistance max. 90mΩ at Bath temperature 40±2℃, gas concentration 3±1 ppm, humidity 75 to 80% R.H.
Features
AXK6F40547YG features: (1)the connector is a two plece structure and 0.5mm pltch; (2)strong reslstance to adverse environment; (3)simple locking structure; (4)mating length 0.55mm; (5)the lower connector bottom surface construction prevents contact and shorts between the PCB and metal terminals; (6)automatic mounting inspection is facilltated by the gull-wing terminal shape which makes mounting verfication easy; (7)connectors for inspection avaliable.
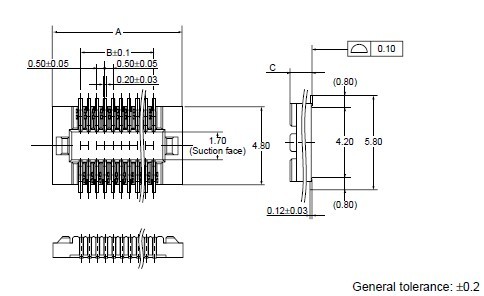
Diagrams

| Image | Part No | Mfg | Description | ![]() |
Pricing (USD) |
Quantity | ||||||||||||
|---|---|---|---|---|---|---|---|---|---|---|---|---|---|---|---|---|---|---|
![]() |
![]() AXK6F40547YG |
![]() Panasonic Electric Works |
![]() Board to Board / Mezzanine Connectors CONN HEADER BRD/BRD 40 POS 0.5mm |
![]() Data Sheet |
![]()
|
|
||||||||||||
| Image | Part No | Mfg | Description | ![]() |
Pricing (USD) |
Quantity | ||||||||||||
![]() |
![]() AXK600235J |
![]() Panasonic Electric Works |
![]() Board to Board / Mezzanine Connectors Use AXK600237YG |
![]() Data Sheet |
![]() Negotiable |
|
||||||||||||
![]() |
![]() AXK600235P |
![]() Panasonic Electric Works |
![]() Board to Board / Mezzanine Connectors Use AXK600237YG |
![]() Data Sheet |
![]() Negotiable |
|
||||||||||||
![]() |
![]() AXK600237YG |
![]() Panasonic Electric Works |
![]() Board to Board / Mezzanine Connectors CONN HEADER BRD/BRD 100 POS 0.5mm |
![]() Data Sheet |
![]()
|
|
||||||||||||
![]() |
![]() AXK600245J |
![]() Panasonic Electric Works |
![]() Board to Board / Mezzanine Connectors Use AXK600247YG |
![]() Data Sheet |
![]() Negotiable |
|
||||||||||||
![]() |
![]() AXK600245P |
![]() Panasonic Electric Works |
![]() Board to Board / Mezzanine Connectors Use AXK600247YG |
![]() Data Sheet |
![]() Negotiable |
|
||||||||||||
![]() |
![]() AXK600247YG |
![]() Panasonic Electric Works |
![]() Board to Board / Mezzanine Connectors Conn B-B HDR 100 POS 0.5mm |
![]() Data Sheet |
![]()
|
|
||||||||||||
(China (Mainland))










