Product Summary
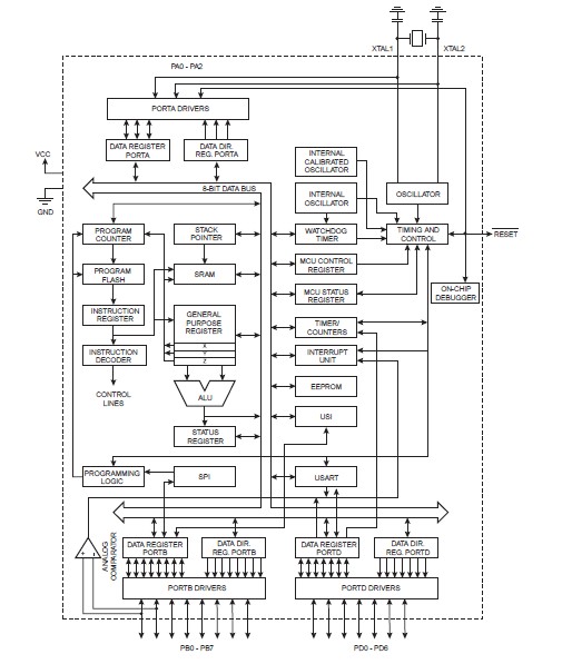
The ATTINY2313-20SU is a low-power CMOS 8-bit microcontroller based on the AVR enhanced RISC architecture. By executing powerful instructions in a single clock cycle, the ATTINY2313-20SU achieves throughputs approaching 1 MIPS per MHz allowing the system designer to optimize power consumption versus processing speed.
Parametrics
ATTINY2313-20SU absolute maximum ratings: (1)Operating Temperature: -55℃ to +125℃; (2)Storage Temperature: -65℃ to +150℃; (3)Voltage on any Pin except RESET with respect to Ground: -0.5V to VCC+0.5V; (4)Voltage on RESET with respect to Ground: -0.5V to +13.0V; (5)Maximum Operating Voltage: 6.0V; (6)DC Current per I/O Pin: 40.0 mA; (7)DC Current VCC and GND Pins: 200.0 mA.
Features
ATTINY2313-20SU features: (1)AVR High-performance and Low-power RISC Architecture: 120 Powerful Instructions Most Single Clock Cycle Execution; 32 x 8 General Purpose Working Registers; Fully Static Operation; Up to 20 MIPS Throughput at 20 MHz; (2)Data and Non-volatile Program and Data Memories: 2K Bytes of In-System Self Programmable Flash Endurance 10,000 Write/Erase Cycles; 128 Bytes In-System Programmable EEPROM Endurance: 100,000 Write/Erase Cycles; 128 Bytes Internal SRAM; Programming Lock for Flash Program and EEPROM Data Security; (3)One 8-bit Timer/Counter with Separate Prescaler and Compare Mode; (4)One 16-bit Timer/Counter with Separate Prescaler, Compare and Capture Modes; (5)Four PWM Channels; (6)On-chip Analog Comparator; (7)Programmable Watchdog Timer with On-chip Oscillator; (8)USI Universal Serial Interface; (9)Full Duplex USAR.
Diagrams

| Image | Part No | Mfg | Description | ![]() |
Pricing (USD) |
Quantity | ||||||||||||
|---|---|---|---|---|---|---|---|---|---|---|---|---|---|---|---|---|---|---|
![]() |
![]() ATtiny2313-20SU |
![]() Atmel |
![]() 8-bit Microcontrollers (MCU) 2kB Flash 0.128kB EEPROM 18 I/O Pins |
![]() Data Sheet |
![]()
|
|
||||||||||||
![]() |
![]() ATTINY2313-20SUR |
![]() Atmel |
![]() 8-bit Microcontrollers (MCU) AVR 2KB FLSH 128B EE 128B SRAM 1UART 20P |
![]() Data Sheet |
![]()
|
|
||||||||||||
(China (Mainland))










