Product Summary
The AQH2213AZ is a solid state relay. The applications of the device are (1)Home appliances (air conditioners, microwave ovens, washing machines, personal hygiene systems, refrigerators, fan heaters, inductive heating cooker, and water heaters, etc.); (2)Industrial equipment market.
Parametrics
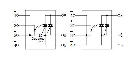
AQH2213AZ absolute maximum ratings: (1)Input, LED forward current IF: 50 mA; (2)LED reverse voltage VR: 6 V; (3)Peak forward current IFP: 1 A; (4)Output, Repetitive peak OFF-state votage VDRM: 600 V; (5)ON-state RMS current IT(RMS): 0.3 A 0.6 A 0.9 A 1.2 A; (6)Non-repetitive surge current ITSM: 3 A 6 A 9 A 12 A ; (7)I/O isolation voltage Viso: 5,000 V AC; (8)Operating Topr: –30 to +85℃; (9)Storage Tstg: –40 to +125℃.
Features
AQH2213AZ features: (1)Compact DIP type SSR that is ideal for AC load control; (2)Supports 0.3 A, 0.6 A, 0.9 A and 1.2 A ON-state RMS currents.; (3)The 1.2 A type saves space with a DIP 8-pin package. (Competitor only provides a 16-pin type.); (4)Only ours handles both 100 and 200 V AC loads This relay handles both voltages in a single product. It is not necessary for users that use both types to manage separate part numbers; (5)High dielectric strength: 5,000 V AC (between input and output); (6)Two types available: Zero-cross type and Non-zero-cross type.
Diagrams

| Image | Part No | Mfg | Description | ![]() |
Pricing (USD) |
Quantity | ||||||||||||
|---|---|---|---|---|---|---|---|---|---|---|---|---|---|---|---|---|---|---|
![]() |
![]() AQH2213AZ |
![]() Panasonic Electric Works |
![]() Solid State Relays AC 600 V Zero Cross 0.9A SMD |
![]() Data Sheet |
![]()
|
|
||||||||||||
| Image | Part No | Mfg | Description | ![]() |
Pricing (USD) |
Quantity | ||||||||||||
![]() |
![]() AQH2213 |
![]() Panasonic Electric Works |
![]() Solid State Relays 900MA 600VAC ZERO CROSS PCB |
![]() Data Sheet |
![]()
|
|
||||||||||||
![]() |
![]() AQH2213A |
![]() Panasonic Electric Works |
![]() Solid State Relays 900MA 600VAC ZERO CROSS SMD |
![]() Data Sheet |
![]()
|
|
||||||||||||
![]() |
![]() AQH2213AX |
![]() Panasonic Electric Works |
![]() Solid State Relays AC 600 V Zero Cross 0.9A SMD |
![]() Data Sheet |
![]()
|
|
||||||||||||
![]() |
![]() AQH2213AZ |
![]() Panasonic Electric Works |
![]() Solid State Relays AC 600 V Zero Cross 0.9A SMD |
![]() Data Sheet |
![]()
|
|
||||||||||||
![]() |
![]() AQH2223 |
![]() Panasonic Electric Works |
![]() Solid State Relays 900MA 600VAC NON-ZERO CROSS PCB |
![]() Data Sheet |
![]()
|
|
||||||||||||
![]() |
![]() AQH2223A |
![]() Panasonic Electric Works |
![]() Solid State Relays AC 600 V 0.9 A Non-Zero Cross |
![]() Data Sheet |
![]()
|
|
||||||||||||
(China (Mainland))









