Product Summary
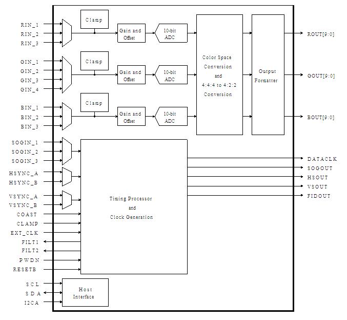
The TVP7002PZPR is a triple 8-/10-bit 165-/110-MSPS, video and graphics digitizer. The TVP7002PZPR is a complete solution for digitizing video and graphic signals in RGB or YPbPr color spaces. The device supports pixel rates up to 165 MHz. Therefore, it can be used for PC graphics digitizing up to the VESAstandard of UXGA (1600×1200) resolution at 60-Hz screen refresh rate, and in video environments for the digitizing of digital TV formats, including HDTV up to 1080p. The applications of the TVP7002PZPR include LCD TV/Monitors/Projectors, Digital Image Processing, DLP TV/Projectors, Video Capture/Video Editing, PDP TV/Monitors, Scan Rate/Image Resolution Converters, LCOS TV/Monitors, Video Conferencing, PCTV Set-Top Boxes, Video/Graphics Digitizing Equipment.
Parametrics
TVP7002PZPR absolute maximum ratings: (1)Supply voltage range, IOVDD to IOGND: -0.5 V to 4.5 V; DVDD to GND: -0.5 V to 2.3 V; PLL_A 18VDD to PLL_A18GND and A18VDD to A18GND: -0.5 V to 2.3 V; A33VDD to A33GND: -0.5 V to 4.5V; (2)Digital input voltage range, VI to GND: -0.5 V to 4.5 V; (3)Analog input voltage range, AI to A33GND: -0.2 V to 2.3 V; (4)Digital output voltage range, VO to GND: -0.5 V to 4.5V; (5)TA, Operating free-air temperature: 0℃ to 70℃; (6)Tstg, Storage temperature: -65℃ to 150℃.
Features
TVP7002PZPR features: (1)-6-dB to 6-dB Analog Gain; (2)Analog Input Multiplexers (MUXs); (3)Automatic Video Clamp; (4)Three Digitizing Channels, Each With Independently Controllable Clamp, Gain, Offset, and Analog-to-Digital Converter(ADC); (5)Clamping: Selectable Clamping Between Bottom Level and Mid-Level; (6)Offset: 1024-Step Programmable RGB or YPbPr Offset Control; (7)Gain: 8-Bit Programmable Gain Control; (8)ADC: 8-/10-Bit 165-/110-MSPS ADC; (9)Automatic Level Control (ALC) Circuit; (10)Composite Sync: Integrated Sync-on-Green Extraction From Green/Luminance Channel; (11)Support for DC- and AC-Coupled Input Signals; (12)Supports Component Video Standards 480i, 576i, 480p, 576p, 720p, 1080i, and 1080p; (13)Supports PC Graphics Inputs up to UXGA, Programmable RGB-to-YCbCr Color Space Conversion.
Diagrams

| Image | Part No | Mfg | Description | ![]() |
Pricing (USD) |
Quantity | ||||||||||||
|---|---|---|---|---|---|---|---|---|---|---|---|---|---|---|---|---|---|---|
![]() |
![]() TVP7002PZPR |
![]() Texas Instruments |
![]() Video A/D Converter ICs Tr 8/10B 165/110MSPS Video ADC |
![]() Data Sheet |
![]()
|
|
||||||||||||
| Image | Part No | Mfg | Description | ![]() |
Pricing (USD) |
Quantity | ||||||||||||
![]() |
![]() TVP7001PZPR |
![]() Texas Instruments |
![]() Video A/D Converter ICs Tr 8/10B 165/110MSPS Video ADC |
![]() Data Sheet |
![]()
|
|
||||||||||||
![]() |
![]() TVP70025IPZP |
![]() Texas Instruments |
![]() Video A/D Converter ICs Tr 8/10B,165/110MSPS Video ADC |
![]() Data Sheet |
![]()
|
|
||||||||||||
![]() |
![]() TVP70025IPZPR |
![]() Texas Instruments |
![]() Video A/D Converter ICs Tr 8/10B,165/110MSPS Video ADC |
![]() Data Sheet |
![]()
|
|
||||||||||||
![]() |
![]() TVP7002PZP |
![]() Texas Instruments |
![]() Video A/D Converter ICs Tr 8/10B 165/110MSPS Video ADC |
![]() Data Sheet |
![]()
|
|
||||||||||||
![]() |
![]() TVP7002PZPR |
![]() Texas Instruments |
![]() Video A/D Converter ICs Tr 8/10B 165/110MSPS Video ADC |
![]() Data Sheet |
![]()
|
|
||||||||||||
![]() |
![]() TVP7002EVM |
![]() Texas Instruments |
![]() Video IC Development Tools TVP7002 Eval Mod |
![]() Data Sheet |
![]() Negotiable |
|
||||||||||||
(China (Mainland))









