Product Summary
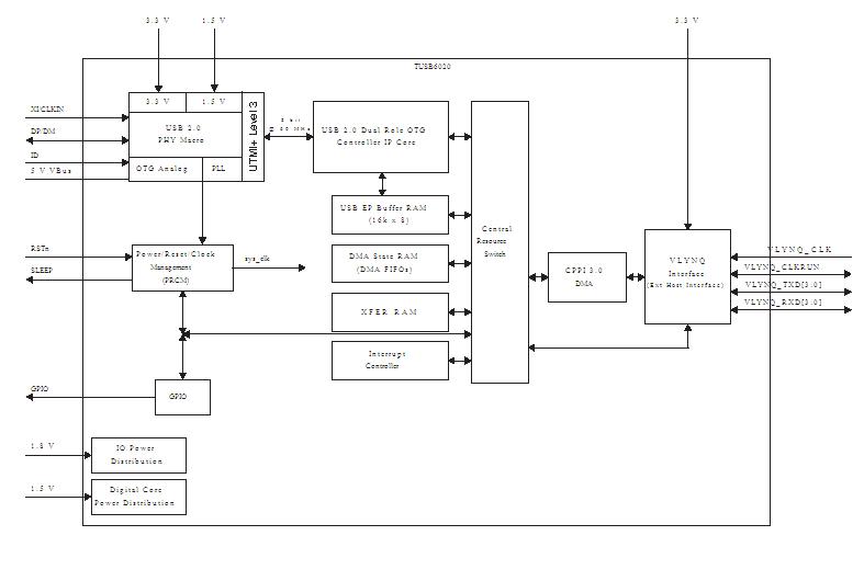
The TUSB6020PFC is a USB 2.0 high-speed, on-the-go (OTG) dual-role controller designed for a seamless interfaceto the VLYNQ serial interface, and is ideal for a wide range of applications. The USB OTG dual-role controller can operate either as a function controller for a USB peripheral or as the host/peripheral in point-to-point or multipoint communications with other functions. The integrated TUSB6020PFC provides one-port operation at lowspeed (1.5 Mbps), full speed (12 Mbps), and high speed (480 Mbps). The VLYNQ serial interface is a low pincount, high-speed, point-to-point interface.
Parametrics
TUSB6020PFC absolute maximum ratings: (1)Input voltage range, VI, 3.3V USB: -0.5 to VDDA3P3 +0.5V; VVI-VLYNQ, 3.3-V VLYNQ: -0.5 to VDDS3P3 +0.5 V; (2)Output voltage range, VO, 3.3-V USB, VI-VLYNQ: -0.5 TO VDDA3P3 +0.5V; VO-VLYNQ, 3.3-V VLYNQ: -0.5 to VDDS3P3 +0.5 V; (3)VDD, Core supply voltage: -0.5 to 2.1mA; (4)IIK, Input clamp current: ±20mA; (5)IOK, Output clamp current: ±20mA; (6)Tstg, Storage temperature range: -65 to 150℃.
Features
TUSB6020PFC features: (1)Uses Mentor Graphics USB 2.0 OTG Core; (2)Dual-Role Controller Can Operate Either as a Function Controller for a USB Peripheral or as the Host/Peripheral in Point-to-Point or Multipoint Communications With Other USB Functions; (3)Compliant With the USB 2.0 Standard for High-Speed (480-Mbps) Functions and With OTG Supplement to USB 2.0 Specification; (4)Supports OTG Communications With One or More High-, Full-, or Low-Speed Devices; (5)Supports Session Request Protocol (SRP) and Host Negotiation Protocol (HNP); (6)Supports Suspend-and-Resume Signaling; (7)Configurable for up to 4 Transmit Endpoints or up to 4 Receive Endpoints; (8)Configurable FIFOs, Including the Option of Dynamic FIFO Sizing; (9)16k-Byte RAM for USB Endpoint FIFO Shared by USB In/Out Endpoints; (10)Support for External Direct Memory Access (DMA) to FIFOs; (11)Soft Connect/Disconnect Option; (12)Performs All Transaction Scheduling in handware.
Diagrams

| Image | Part No | Mfg | Description | ![]() |
Pricing (USD) |
Quantity | ||||||||||||
|---|---|---|---|---|---|---|---|---|---|---|---|---|---|---|---|---|---|---|
![]() |
![]() TUSB6020PFC |
![]() Texas Instruments |
![]() USB Interface IC USB 2.0 HS Bus Inter face Bridge Cntrlr |
![]() Data Sheet |
![]()
|
|
||||||||||||
![]() |
![]() TUSB6020PFCG4 |
![]() Texas Instruments |
![]() USB Interface IC USB 2.0 HS Bus Inter face Bridge Cntrlr |
![]() Data Sheet |
![]()
|
|
||||||||||||
![]() |
![]() TUSB6020PFCR |
![]() Texas Instruments |
![]() USB Interface IC USB 2.0 HS Bus Inter face Bridge Cntrlr |
![]() Data Sheet |
![]()
|
|
||||||||||||
![]() |
![]() TUSB6020PFCRG4 |
![]() Texas Instruments |
![]() USB Interface IC USB 2.0 HS Bus Inter face Bridge Cntrlr |
![]() Data Sheet |
![]()
|
|
||||||||||||
(China (Mainland))









