Product Summary
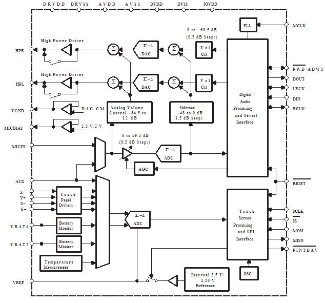
The TSC2100IRHB is a highly integrated touch screen controller with on-chip processor and audio codec. The touch screen portion of the TSC2100IRHB contains a 12-bit 4-wire resistive touch screen ADC complete with drivers, and interfaces to the host controller through a standard SPI serial interface. The on-chip processor provides extensive features specifically designed to reduce host processor and bus overhead, with capabilities that include fully automated operating modes, programmable conversion resolution up to 12 bits, programmable sampling rates up to 125 kHz. The applications of the TSC2100IRHB include Personal Digital Assistants, Smart Cellular Phones, MP3 Players.
Parametrics
TSC2100IRHB absolute maximum ratings: (1)AVDD to AVSS: -0.3 V to 3.9 V; (2)DRVDD to DRVSS: -0.3 V to 3.9 V; (3)IOVDD to DVSS: -0.3 V to 3.9 V; (4)DVDD to DVSS: -0.3 V to 2.5 V; (5)AVDD to DRVDD: -0.1 V to 0.1 V; (6)AVSS to DRVSS to DVSS: -0.1 V to 0.1 V; (7)Analog inputs (except VBAT1 and VBAT2) to AVSS: -0.3 V to AVDD + 0.3 V; (8)VBAT1/VBAT2 to AVSS: -0.3 V to 6 V; (9)Digital input voltage to DVSS: -0.3 V to IOVDD + 0.3 V; (10)Operating temperature range: -40℃ to 85℃; (11)Storage temperature range: -65℃ to 105℃; (12)Junction temperature (TJ Max): 105℃; (13)TSSOP package, Power dissipation: (TJ Max -TA)/θJA; θJA Thermal impedance: 86℃/W; (14)QFN package, Power dissipation: (TJ Max-TA)/θJA; θJA Thermal impedance: 123℃/W; (15)Lead temperature, Soldering vapor phase (60 sec): 215℃; Lead temperatureInfrared (15 sec): 220℃.
Features
TSC2100IRHB features: (1)Integrated Touch Screen Processor With Fully Automated Modes of Operation; (2)Programmable Converter Resolution, Speed, and Averaging; (3)Programmable Autonomous Timing Control; (4)Direct Battery Measurement Accepts up to 6-V Input; (5)On-Chip Temperature Measurement; (6)Stereo Audio DAC and Mono Audio ADC Support Rates up to 48 ksps; (7)High Quality 97-dB Stereo Audio; (8)Integrated PLL for Flexible Audio Clock Generation; (9)Programmable Digital Audio Bass/Treble/EQ/De-Emphasis; (10)On-Chip 325-mW, 8-W Speaker Driver; (11)Stereo Headphone Amplifier With Capless Output Option; (12)Microphone Preamp and Hardware Automatic Gain Control; (13)SPI and I2S Serial Interface; (14)Full Power-Down Control; (15)Low Power: 11-mW Stereo Audio Playback At 48 ksps; (16)32-Pin TSSOP and 32-Pin 5y5 mm QFN Package.
Diagrams

| Image | Part No | Mfg | Description | ![]() |
Pricing (USD) |
Quantity | ||||||||||||
|---|---|---|---|---|---|---|---|---|---|---|---|---|---|---|---|---|---|---|
![]() |
![]() TSC2100IRHB |
![]() Texas Instruments |
![]() Touch Screen Converters & Controllers Prog 4-Wire w/Ster Codec & Hdph/Spk Amp |
![]() Data Sheet |
![]()
|
|
||||||||||||
![]() |
![]() TSC2100IRHBG4 |
![]() Texas Instruments |
![]() Touch Screen Converters & Controllers Prog 4-Wire w/Ster Codec & Hdph/Spk Amp |
![]() Data Sheet |
![]()
|
|
||||||||||||
![]() |
![]() TSC2100IRHBR |
![]() Texas Instruments |
![]() Touch Screen Converters & Controllers Prog 4-Wire w/Ster Codec & Hdph/Spk Amp |
![]() Data Sheet |
![]()
|
|
||||||||||||
![]() |
![]() TSC2100IRHBRG4 |
![]() Texas Instruments |
![]() Touch Screen Converters & Controllers Prog 4-Wire w/Ster Codec & Hdph/Spk Amp |
![]() Data Sheet |
![]()
|
|
||||||||||||
(China (Mainland))








