Product Summary
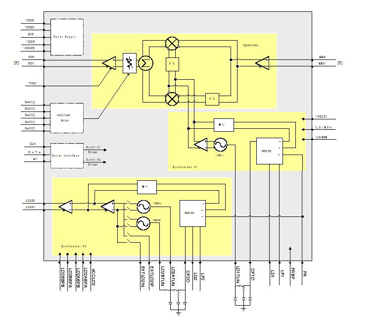
The TRF1121IRGZT is a VHF-UHF up converter with integrated UHF and S-band frequency synthesizers for radio applications in the 2GHz to 4GHz range. The TRF1121IRGZT performs the first up-conversion and generates the local oscillator (LO) for the second up-conversion. The device uniquely integrates an image reject mixer, IF gain blocks, 5-bit gain control, and two complete phase locked loop (PLL) circuits including: VCOs, resonator circuit, varactors, dividers, and phase detectors.
Parametrics
TRF1121IRGZT absolute maximum ratings: (1)VCC, DC supply voltage: 0 to 5.5V; (2)ICC, DC supply current: 270mA; (3)Pin, RF input power: 20dBm; (4)TJ, Junction temperature: 150℃; (5)Pdiss, Power dissipation: 1.5W; (6)Digital input voltage: -0.3 to VCC+0.3V; (7)Analog input voltage: VCC V; (8)θJC, Thermal resistance junction-to-ambien(1): 25℃/W; (9)Tstg, Storage temperature: -40 to 105℃; (10)Top, Operating temperature: -40 to 85℃; (11)Lead temperature, 40 Sec Max: 260℃.
Features
TRF1121IRGZT features: (1)Low Phase Noise; (2)Image Reject Upconverter; (3)Dual VCO/PLL For Double Up Conversion Architecture; (4)On-Chip VCO, Resonator and PLL Only Requires Off-Chip Loop Filter; (5)External S-Band VCO Option; (6)5-Bit Transmit Level Control, 32 dB in 1 dB Steps.
Diagrams

| Image | Part No | Mfg | Description | ![]() |
Pricing (USD) |
Quantity | ||||||||
|---|---|---|---|---|---|---|---|---|---|---|---|---|---|---|
![]() |
![]() TRF1121IRGZT |
![]() Texas Instruments |
![]() Up-Down Converters Dual PLL/VCO with IF Up-Converter |
![]() Data Sheet |
![]()
|
|
||||||||
![]() |
![]() TRF1121IRGZTG3 |
![]() Texas Instruments |
![]() Up-Down Converters Dual PLL/VCO with IF Up-Converter |
![]() Data Sheet |
![]()
|
|
||||||||
(China (Mainland))








