Product Summary
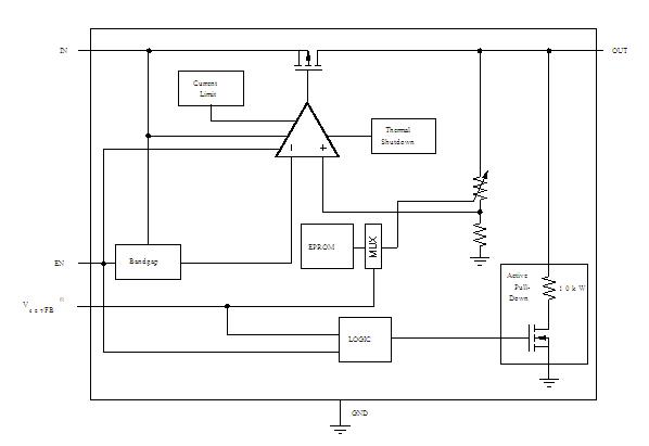
The TPS78101DDCR is a low-dropout (LDO) regulator offers the benefits of ultralow power (IQ = 1μA), miniaturized packaging (2×2 SON-6), and selectable dual-level output voltage levels. An adjustable version is also available, but does not have the capability to shift voltage levels. The VSET pin allows the end user to switch between two voltage levels on-the-fly through a microprocessor-compatible input. The TPS78101DDCR is designed specifically for battery-powered applications where dual-level voltages are needed. The applications of the TPS78101DDCR include TI MSP430 Attach Applications, Power Rails with Programming Mode, Dual Voltage Levels for Power-Saving Mode, Wireless Handsets, Smartphones, PDAs, MP3 Players, and Other Battery-Operated Handheld Products.
Parametrics
TPS78101DDCR absolute maximum ratings: (1)Input voltage range, VIN: -0.3 to +6.0V; (2)Enable and VSET voltage range, VEN and VVSET: -0.3 to VIN + 0.3V; (3)Output voltage range, VOUT: -0.3 to VIN + 0.3V; (4)Maximum output current, IOUT: Internally limited; (5)Output short-circuit duration: Indefinite; (6)Total continuous power dissipation, PDISS: See the Dissipation Ratings table; (7)ESD rating, Human body model (HBM): 2kV; Charged device model (CDM): 500V; (8)Operating junction temperature range, TJ: -40 to +125℃; (9)Storage temperature range, TSTG: -55 to +150℃.
Features
TPS78101DDCR features: (1)Low IQ: 1μA; (2)150mA, Low-Dropout Regulator with Pin-Selectable Dual Voltage Level Output; (3)Low Dropout: 200mV at 150mA; (4)3% Accuracy Over Load/Line/Temperature; (5)Available in Dual-Level, Fixed Output Voltages from 1.5V to 4.2V Using Innovative Factory EPROM Programming; (6)Available in an Adjustable Version from 1.22V to 5.25V or a Dual-Level Output Version; (7)VSET Pin Toggles Output Voltage Between Two Factory-Programmed Voltage Levels; (8)Stable with a 1.0μF Ceramic Capacitor; (9)Thermal Shutdown and Overcurrent Protection; (10)CMOS Logic Level-Compatible Enable Pin; (11)Available in DDC (TSOT23-5) or DRV (2mm × 2mm SON-6) Package Options.
Diagrams

| Image | Part No | Mfg | Description | ![]() |
Pricing (USD) |
Quantity | ||||||||||||
|---|---|---|---|---|---|---|---|---|---|---|---|---|---|---|---|---|---|---|
![]() |
![]() TPS78101DDCR |
![]() Texas Instruments |
![]() Low Dropout (LDO) Regulators Sgl Output LDO 150 mA Adj |
![]() Data Sheet |
![]()
|
|
||||||||||||
![]() |
![]() TPS78101DDCRG4 |
![]() Texas Instruments |
![]() Low Dropout (LDO) Regulators Sgl Output LDO 150mA Adj |
![]() Data Sheet |
![]()
|
|
||||||||||||
(China (Mainland))









