Product Summary
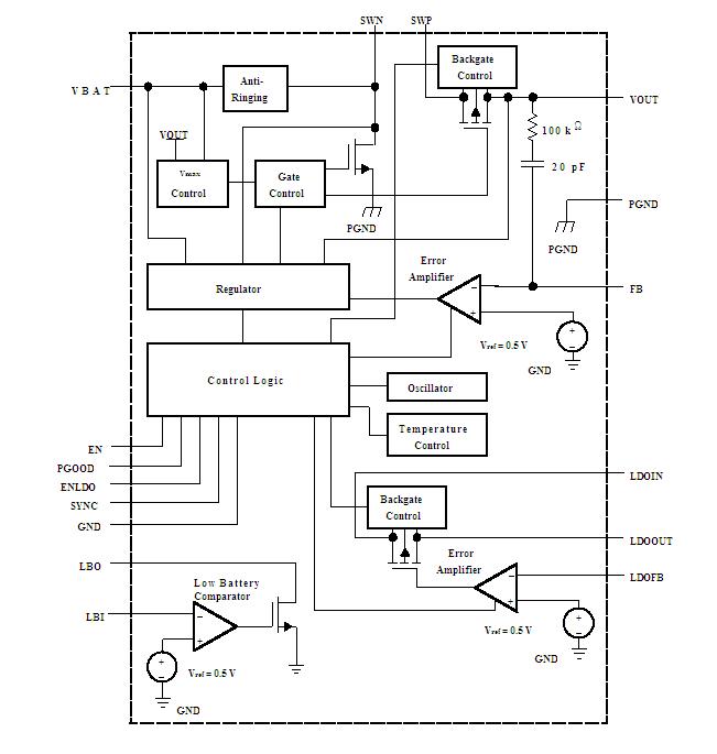
The TPS71257DRCT is a synchronous sepic/flyback converter. The TPS71257DRCT provides a complete power supply solution for products powered by either aone-cell Li-Ion or Li-Polymer or a two up to four-cell Alkaline, NiCd or NiMH batteries. The device can generate two regulated output voltages that are either adjusted by an external resistor divider or fixed internally on the chip. The applications of the TPS71257DRCT include All Single Cell Li, Dual or Triple Cell Battery or USB Powered Products as MP-3 Player, PDAs, and Other Portable Equipment.
Parametrics
TPS71257DRCT absolute maximum ratings: (1)Input voltage range on FB: -0.3 V to 3.6 V; (2)Input voltage range on SWN: -0.3 V to 12 V; (3)Input voltage range on SWP: -7.0 V to 7.0 V; (4)Maximum voltage between SWP and VOUT: -12 V; (5)Input voltage range on SWN, VOUT, LDOIN, LDOOUT, LDOEN, LDOSENSE, PGOOD, LBO, VBAT, LBI, SKIPEN, ENO: -0.3 V to 7V; (6)Operating free air temperature range, TA: -40℃ to 85℃; (7)Maximum junction temperature, TJ: 150℃; (8)Storage temperature range, Tstg: -65℃ to 150℃.
Features
TPS71257DRCT features: (1)Synchronous, Up To 90% Efficient, SEPIC Converter With 300-mA Output Current From 2.5-V Input; (2)Integrated 200-mA Reverse Voltage Protected LDO for DC/DC Output Voltage Post Regulation or Second Output Voltage; (3)Dual Input or Dual Output Mode; (4)Available in a 16 pin QFN 4x4 or in a TSSOP-16 Package; (5)40-μA (Typical) Total Device Quiescent Current; (6)Input Voltage Range: 1.8-V to 5.5-V; (7)Adjustable Output Voltage up to 5.5-V, Fixed Output Voltage Options; (8)Power Save Mode for Improved Efficiency at Low Output Power; (9)High Efficient Li-Ion to 3.3-V Conversion; (10)Low Battery Comparator; (11)Power Good Output; (12)Low EMI-Converter (Integrated Antiringing Switch); (13)Load Disconnect During Shutdown; (14)Overtemperature Protection.
Diagrams

| Image | Part No | Mfg | Description | ![]() |
Pricing (USD) |
Quantity | ||||||||||||
|---|---|---|---|---|---|---|---|---|---|---|---|---|---|---|---|---|---|---|
![]() |
![]() TPS71257DRCT |
![]() Texas Instruments |
![]() Low Dropout (LDO) Regulators Dual 250 mA Output UltraLow Noise |
![]() Data Sheet |
![]()
|
|
||||||||||||
![]() |
![]() TPS71257DRCTG4 |
![]() Texas Instruments |
![]() Low Dropout (LDO) Regulators Dual 250 mA Output UltraLow Noise |
![]() Data Sheet |
![]()
|
|
||||||||||||
(China (Mainland))









