Product Summary
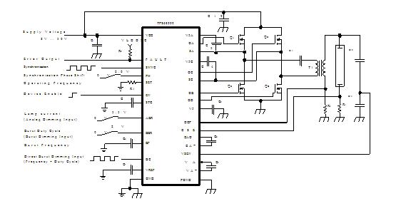
The TPS68000DBTR is a phase shift full bridge CCFL controller. The TPS68000DBTR provides a power supply controller solution for CCFL backlight applications in a large variety of applications. The wide input voltage range of 8 V to 30 V makes it suitable to be powered Operation directly from regulated 12-V or 24-V rails, or any other source with output voltages in this range. The applications of the TPS68000DBTR include CCFL Backlight Power Supplies for Desktop Monitors and LCD TVs, CCFL Backlight Power Supplies for Notebook Computers.
Parametrics
TPS68000DBTR absolute maximum ratings: (1)Input voltage range on VCC, EN, FAULT: -0.3 V to 33 V; (2)Input voltage range on SYNC, SET, PH, STC, ABR, BBR, BF, BC, VREF, VA-, VAO, CA-, CAO: -0.3 V to 6 V; (3)Input voltage range on VSEN, CSEN, OCP: -6 V to 6 V; (4)Input voltage range on GD, GB, V5: -0.3 V to 6 V; (5)maximum differential voltage between GA, V5A and SA: 6V; (6)maximum differential voltage between GC, V5C and SC: 6V; (7)maximum differential voltage between SA and PGND: 35V; (8)maximum differential voltage between SC and PGND: 35V; (9)Operating virtual junction temperature range, TJ: -40℃ to 150℃; (10)Storage temperature range, Tstg: -65℃ to 150℃.
Features
TPS68000DBTR features: (1)8-V to 30-V Input Voltage Range; (2)Full Bridge Topology With Integrated Gate Drives for 4 NMOS Switches; (3)Synchronizable Constant Frequency Operation; (4)Programmabe Phase Delays of Operating Frequency for Master-Slave Operation; (5)Lamp Voltage and Lamp Current Regulation; (6)Analog and Burst Dimming; (7)Configurable Distributed Burst Dimming in Multiple Controller Applications; (8)Programmable Voltage Regulation Timeout for Startup and Fault Conditions; (9)Open-Lamp and Short-Circuit Protection; (10)Internal Over-Temperature Protection; (11)Undervoltage Lockout; (12)30-pin TSSOP Package.
Diagrams

| Image | Part No | Mfg | Description | ![]() |
Pricing (USD) |
Quantity | ||||||||
|---|---|---|---|---|---|---|---|---|---|---|---|---|---|---|
![]() |
![]() TPS68000DBTR |
![]() Texas Instruments |
![]() Display Drivers & Controllers CCFL Phase Shift Full Bridge |
![]() Data Sheet |
![]()
|
|
||||||||
![]() |
![]() TPS68000DBTRG4 |
![]() Texas Instruments |
![]() Display Drivers & Controllers CCFL Phase Shift Full Bridge |
![]() Data Sheet |
![]()
|
|
||||||||
(China (Mainland))









