Product Summary
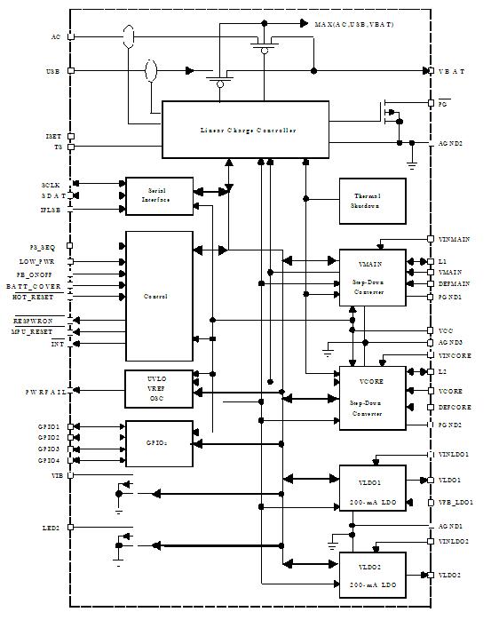
The TPS65012RGZR is an integrated power and batteryor Li-Polymer Cells management IC for applications powered by oneLi-Ion or Li-Polymer cell, and which require multiple power rails. The TPS65012RGZR provides two highly efficient, step-down converters targeted at providing the core voltage and peripheral, I/O rails in a processor-based system. Both step-down converters enter a low power mode at light load for maximumefficiency across the widest possible range of load currents. The applications of the TPS65012RGZR include All Single Li-Ion Cell Operated Products Requiring Multiple Supplies Including: PDA, Cellular/Smart Phone, Internet Audio Player, Digital Still Camera, Digital Radio Player, Split Supply DSP and μP Solutions.
Parametrics
TPS65012RGZR absolute maximum ratings: (1)Input voltage on VAC pin with respect to AGND: 20 V; (2)Input voltage range on all other pins except AGND/PGND pins with respect to AGND: -0.3 V to 7 V; (3)HBM and CBM capabilities at pins VIB, PG, and LED: 1 kV; (4)Current at AC, VBAT, VINMAIN, L1, PGND1: 1800 mA; (5)Peak current at all other pins: 1000 mA; (6)Continuous power dissipation: See Dissipation Rating TableOperating free-air temperature, TA: -40℃ to 85℃; (7)Maximum junction temperature, TJ: 125℃; (8)Storage temperature, Tstg: -65℃ to 150℃; (9)Lead temperature 1,6 mm (1/16 inch) from case for 10 seconds: 260℃.
Features
TPS65012RGZR features: (1)Linear Charger Management for Single Li-Ion or Li-Polymer Cells; (2)Dual Input Ports for Charging From USB or From Wall Plug, Handles 100-mA / 500-mA USB Requirements; (3)Charge Current Programmable Via External Resistor; (4)1 A, 95% Efficient Step-Down Converter for I/O and Peripheral Components (VMAIN); (5)400 mA, 90% Efficient Step-Down Converter for Processor Core (VCORE); (6)2x 200-mA LDOs for I/O and Peripheral Components, LDO Enable via Bus; (7)Serial Interface Compatible With I2C, Supports 100-kHz, 400-kHz Operation; (8)LOW_PWR Pin to Lower or Disable Processor Core Supply Voltage in Deep Sleep Mode; (9)70-μA Quiescent Current; (10)1% Reference Voltage; (11)Thermal Shutdown Protection.
Diagrams

| Image | Part No | Mfg | Description | ![]() |
Pricing (USD) |
Quantity | ||||||||
|---|---|---|---|---|---|---|---|---|---|---|---|---|---|---|
![]() |
![]() TPS65012RGZR |
![]() Texas Instruments |
![]() Battery Management Multi-Channel 1-cell Li-Ion |
![]() Data Sheet |
![]()
|
|
||||||||
![]() |
![]() TPS65012RGZRG4 |
![]() Texas Instruments |
![]() Battery Management Multi-Channel 1-cell Li-Ion |
![]() Data Sheet |
![]()
|
|
||||||||
(China (Mainland))









