Product Summary
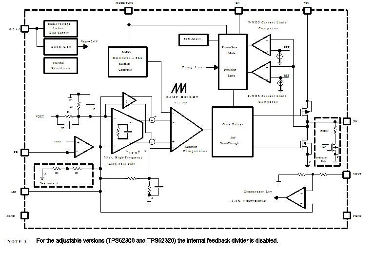
The TPS62321YZDT is a high-frequency synchronous step-down dc-dc converter optimized for battery-powered portable applications. Intended for low-power applications, the TPS62321YZDT supports up to500-mA load current and allows the use of tiny, low cost chip inductor and capacitors. The applications of the TPS62321YZDT include Cell Phones, Smart-Phones, WLAN and Bluetooth, Applications, Micro DC-DC Converter Modules, PDAs, Pocket PCs, USB-Based DSL Modems, Digital Cameras.
Parametrics
TPS62321YZDT absolute maximum ratings: (1)VI, Voltage at VIN, AVIN(2): -0.3 V to 7 V; Voltage at SW(2): -0.3 V to 7 V; Voltage at FB, ADJ: -0.3V to 3.6 V; Voltage at EN, MODE/SYNC(2): -0.3 V to VI + 0.3V; Voltage at VOUT(2): 0.3 V to 5.4 V; (2)IO, Continuous output current: 500 mA; (3)Power dissipation: Internally limited; (4)TA, Operating temperature range: -40℃ to 85℃; (5)TJ(max), Maximum operating junction temperature: 150℃Tstg, Storage temperature range: -65℃ to 150℃.
Features
TPS62321YZDT features: (1)Up to 93% Efficiency at 3-MHz Operation; (2)Up to 500-mA Output Current at VI = 2.7 V; (3)3-MHz Fixed Frequency Operation; (4)Best in Class Load and Line Transient; (5)Complete 1-mm Component Profile Solution; (6)-0.5% / +1.3% PWM DC Voltage Accuracy Over Temperature; (7)35-ns Minimum On-Time; (8)Power-Save Mode Operation at Light Load current; (9)Fixed and Adjustable Output Voltage; (10)Only 86-μA Quiescent Current; (11)100% Duty Cycle for Lowest Dropout; (12)Synchronizable On the Fly to External Clock Signal; (13)Integrated Active Power-Down Sequencing; (14)Available in a 10-Pin QFN (3 x 3 mm) and Highly Reliable 8-Pin NanoFree and NanoStar (CSP) Packaging.
Diagrams

| Image | Part No | Mfg | Description | ![]() |
Pricing (USD) |
Quantity | ||||||||||||
|---|---|---|---|---|---|---|---|---|---|---|---|---|---|---|---|---|---|---|
![]() |
![]() TPS62321YZDT |
![]() Texas Instruments |
![]() DC/DC Switching Regulators 1.5V 500-mA 3-MHz Step-Down Converter |
![]() Data Sheet |
![]()
|
|
||||||||||||
| Image | Part No | Mfg | Description | ![]() |
Pricing (USD) |
Quantity | ||||||||||||
![]() |
![]() TPS60100 |
![]() Other |
![]() |
![]() Data Sheet |
![]() Negotiable |
|
||||||||||||
![]() |
![]() TPS60100EVM-131 |
![]() Texas Instruments |
![]() Power Management IC Development Tools 2 batt cells |
![]() Data Sheet |
![]()
|
|
||||||||||||
![]() |
![]() TPS60100PWP |
![]() Texas Instruments |
![]() Charge Pumps Reg 3.3V Lo-Ns Chrg Pump DC-DC Cnvtr |
![]() Data Sheet |
![]()
|
|
||||||||||||
![]() |
![]() TPS60100PWPG4 |
![]() Texas Instruments |
![]() Charge Pumps Reg 3.3V Lo-Ns Chrg Pump DC-DC Cnvtr |
![]() Data Sheet |
![]()
|
|
||||||||||||
![]() |
![]() TPS60100PWPR |
![]() Texas Instruments |
![]() Charge Pumps Reg 3.3V Lo-Ns Chrg Pump DC-DC Cnvtr |
![]() Data Sheet |
![]()
|
|
||||||||||||
![]() |
![]() TPS60100PWPRG4 |
![]() Texas Instruments |
![]() Charge Pumps Reg 3.3V Lo-Ns Chrg Pump DC-DC Cnvtr |
![]() Data Sheet |
![]()
|
|
||||||||||||
(China (Mainland))










