Product Summary
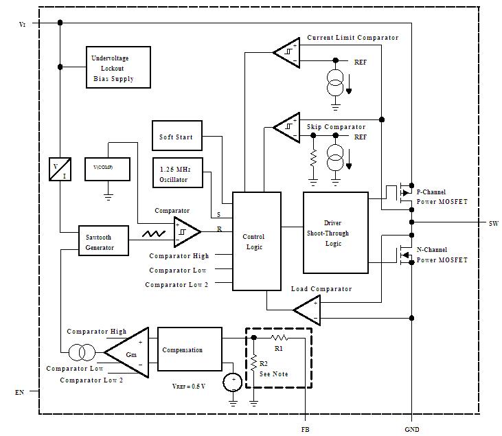
The TPS62220DDCT is a high-efficiency synchronous step-down converter ideally suited for portable systems powered by 1-cell Li-Ion or 3-cell NiMH/NiCd batteries. The device is also suitable to operate from a standard 3.3-V or 5-V voltage rail. With an output voltage range of 6 V down to 0.7 V and up to 300 mA output current, the device is ideal to power low voltage DSPs and processors used in PDAs, pocket PCs, and smart phones. The applications of the TPS62220DDCT include PDAs and Pocket PC, Cellular Phones, Smart Phones, Low Power DSP Supply, Digital Cameras, Portable Media Players, Portable Equipment.
Parametrics
TPS62220DDCT absolute maximum ratings: (1)Pin voltage range(2), AVIN, PVIN: -0.3 to 20V; EN, SS/TR: -0.3 to VIN+0.3V; SW: -0.3 to VIN+0.3V; DEF, FSW, FB, PG, VOS: -0.3 to 7V; (2)Power Good sink current PG: 10mA; (3)Temperature range, Operating junction temperature range, TJ: -40 to 125℃; Storage temperature range, Tstg: -65 to 150℃; (4)ESD rating(3), HBM Human body mode: l2kV; CDM Charge device model: 0.5kV.
Features
TPS62220DDCT features: (1)High Efficiency Synchronous Step-Down Converter With up to 95% Efficiency; (2)2.5-V to 6-V Input Voltage Range; (3)Adjustable Output Voltage Range From 0.7 V to VI; (4)Fixed Output Voltage Options Available; (5)Up to 300 mA Output Current; (6)1-MHz Fixed Frequency PWM Operation; (7)Highest Efficiency Over Wide Load Current Range Due to Power Save Mode; (8)15-μA Typical Quiescent Current; (9)Soft Start; (10)100% Duty Cycle Low-Dropout Operation; (11)Dynamic Output-Voltage Positioning; (12)Available in a 5-Pin SOT23 Package.
Diagrams

| Image | Part No | Mfg | Description | ![]() |
Pricing (USD) |
Quantity | ||||||||||||
|---|---|---|---|---|---|---|---|---|---|---|---|---|---|---|---|---|---|---|
![]() |
![]() TPS62220DDCT |
![]() Texas Instruments |
![]() DC/DC Switching Regulators Adj 400mA Hi-Eff Step-Down Con 15uA |
![]() Data Sheet |
![]()
|
|
||||||||||||
![]() |
![]() TPS62220DDCTG4 |
![]() Texas Instruments |
![]() DC/DC Switching Regulators Adj 400mA Hi-Eff Step-Down Con 15uA |
![]() Data Sheet |
![]()
|
|
||||||||||||
(China (Mainland))









