Product Summary
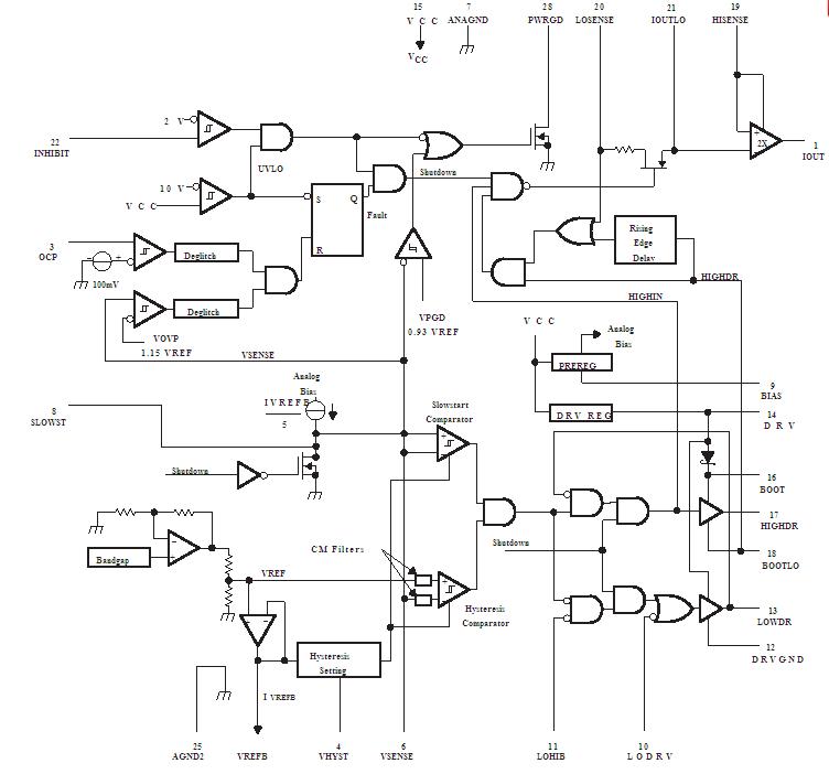
The TPS5633PWP is a synchronous-buck regulator controller provides an accurate supply voltage to DSPs. The output voltage of the TPS5633PWP is internally set by a resistive divider with an accuracy of 1% over the full operating temperature range. A hysteretic controller with user-selectable hysteresis is used to dramatically reduce over shoot and under shoot caused by load transients. Propagation delay from the comparator inputs to theoutput drivers is less than 250 ns. Overcurrent shutdown and crossover protection for the output drivers combine to eliminate destructive faults in the output FETs.
Parametrics
TPS5633PWP absolute maximum ratings: (1)Supply voltage range, VCC: -0.3 to 14 V; (2)Input voltage range: BOOT to DRVGND (high-side driver ON): -0.3 to 30 V; (3)BOOT to HIGHDRV: -0.3 to 15 V; (4)BOOT to BOOTLO: -0.3 to 15 V; (5)INHIBIT, LODRV: -0.3 to 7.3 V; (6)PWRGD, OCP: -0.3 to 7 V; (7)LOHIB, LOSENSE, IOUTLO, HISENSE: -0.3 to 14 V; (8)VSENSE: -0.3 to 5 V; (9)Voltage difference between ANAGND and DRVGND: ±0.5 V; (10)Output current, VREFB: 0.5 mA; (11)Short circuit duration, DRV: Continuous; (12)Continuous total power dissipation: See Dissipation Rating Table; (13)Operating junction temperature range, TJ: 0℃ to 125℃; (14)Storage temperature range, Tstg: -65℃ to 150℃; (15)Lead temperature soldering 1,6 mm (1/16 inch) from case for 10 seconds: 260℃.
Features
TPS5633PWP features: (1)±1% Reference Over Full Operating Temperature Range; (2)Synchronous Rectifier Driver for >90%Efficiency; (3)Fixed Output Voltage Options of 1.5 V,1.8 V, 2.5 V, and 3.3 V; (4)User-Selectable Hysteretic-Type Control; (5)Low Supply Current: 3 mA Typ; (6)11.4-V to 13-V Input Voltage Range, VCC; (7)Power Good OutputD Programmable Soft-Start; (8)Overvoltage/Overcurrent Protection; (9)Active Deadtime Control.
Diagrams

| Image | Part No | Mfg | Description | ![]() |
Pricing (USD) |
Quantity | ||||||||||||
|---|---|---|---|---|---|---|---|---|---|---|---|---|---|---|---|---|---|---|
![]() |
![]() TPS5633PWP |
![]() Texas Instruments |
![]() DC/DC Switching Controllers High Crnt Synch Buck Cntrlr |
![]() Data Sheet |
![]()
|
|
||||||||||||
![]() |
![]() TPS5633PWPG4 |
![]() Texas Instruments |
![]() DC/DC Switching Controllers High Crnt Synch Buck Cntrlr |
![]() Data Sheet |
![]()
|
|
||||||||||||
![]() |
![]() TPS5633PWPR |
![]() Texas Instruments |
![]() DC/DC Switching Controllers High Crnt Synch Buck Cntrlr |
![]() Data Sheet |
![]() Negotiable |
|
||||||||||||
![]() |
![]() TPS5633PWPRG4 |
![]() Texas Instruments |
![]() DC/DC Switching Controllers High Crnt Synch Buck Cntrlr |
![]() Data Sheet |
![]() Negotiable |
|
||||||||||||
(China (Mainland))









