Product Summary
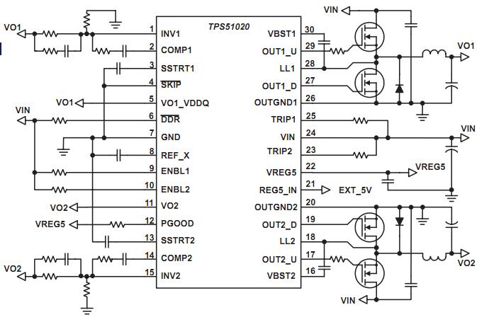
The TPS51020DBT is a multi-function dual-synchronous step-down controller for notebook system power. The part is specifically designed for high performance, high efficiency applications where the loss associated with a current sense resistor is unacceptable. The TPS51020DBT utilizes feed forward voltage mode control to attain high efficiency without sacrificing line response. Efficiency at light load conditions can be maintained high as well by incorporating autoskip operation. The applications of the TPS51020DBT include Notebook Computers System Bus and I/O, DDR I or DDR II Termination.
Parametrics
TPS51020DBT absolute maximum ratings: (1)Input voltage range, VBST1, VBST2: -0.3 to 35V; VBST1, VBST2 (with respect to LL ): -0.3 to 7V; VIN, TRIP1, TRIP2, ENBL1, ENBL2, DDR: -0.3 to 30V; SKIP, INV1, INV2: -0.3 to 7V; (2)Ouput voltage range, OUT1_U, OUT2_U: -1 to 35V; OUT1_U, OUT2_U (with respect to LL): -0.3 to 7 V; LL1, LL2: -1 to 30V; REF_X: -0.3 to 15V; PGOOD, VO1_VDDQ, VO2, OUT1_D, OUT2_D, COMP1, COMP2, VREG5, SSTRT1, SSTRT2: -0.3 to 7V; OUTGND1, OUTGND2: -0.3 to 0.3V; (3)Output current range, VREG5: 70mA; REF_X: 7mA; (4)Operating free-air temperature range, TA: -40 to 85℃; (5)Storage temperature range, Tstg: -55 to 150℃; (6)Junction temperature range, TJ: -40 to 125℃; (7)Lead temperature 1,6 mm (1/16 inch) from case for 10 seconds: 300℃.
Features
TPS51020DBT features: (1)Wide Input Voltage Range: 4.5-V to 28-V; (2)Selectable Dual and DDR Modes; (3)Selectable Fixed Frequency Voltage Mode; (4)Integrated Selectable Output Discharge; (5)Advanced Power Good Logic Monitors both Channels; (6)Selectable Autoskip Mode; (7)Integrated Boot Strap Diodes; (8)180° Phase Shift Between Channels; (9)Integrated 5-V, 60-mA Regulator; (10)Input Feedforward Control; (11)1% Internal 0.85-V Reference; (12)RDS(on) Overcurrent Detection (4200 ppm/℃); (13)Integrated OVP, UVP and Power Good Timers; (14)30-pin TSSOP Package.
Diagrams

| Image | Part No | Mfg | Description | ![]() |
Pricing (USD) |
Quantity | ||||||||||||
|---|---|---|---|---|---|---|---|---|---|---|---|---|---|---|---|---|---|---|
![]() |
![]() TPS51020DBT |
![]() Texas Instruments |
![]() DC/DC Switching Controllers Dual DDR selectable Sync buck Controller |
![]() Data Sheet |
![]()
|
|
||||||||||||
![]() |
![]() TPS51020DBTG4 |
![]() Texas Instruments |
![]() DC/DC Switching Controllers Dual DDR selectable Sync buck Controller |
![]() Data Sheet |
![]()
|
|
||||||||||||
![]() |
![]() TPS51020DBTR |
![]() Texas Instruments |
![]() DC/DC Switching Controllers Dual DDR selectable Sync buck Controller |
![]() Data Sheet |
![]()
|
|
||||||||||||
![]() |
![]() TPS51020DBTRG4 |
![]() Texas Instruments |
![]() DC/DC Switching Controllers Dual DDR selectable Sync buck Controller |
![]() Data Sheet |
![]()
|
|
||||||||||||
(China (Mainland))









