Product Summary
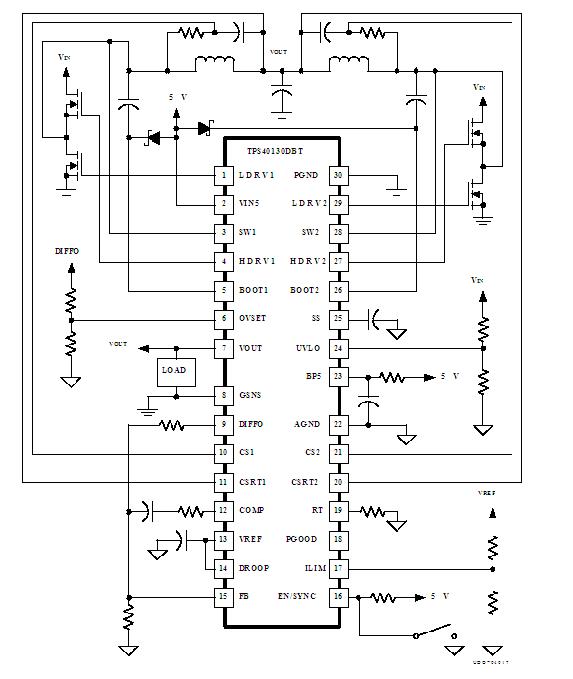
The TPS40130RHBT is a two-phase synchronous buck controller that is optimized for low-output voltage, high-output current applications powered from a supply between 3 V and 40 V. A multi-phase con-verter offers several advantages over a single powerstage including lower current ripple on the input and soutput capacitors, faster transient response to load steps, improved power handling capabilities, andhigher system efficiency. The applications of the TPS40130RHBT include Graphic Cards, Internet Servers, Networking Equipment, Telecommunications Equipment, DC Power Distributed Systems.
Parametrics
TPS40130RHBT absolute maximum ratings: (1)Input voltage range, SW1, SW2: -1 to 44V; BOOT1, BOOT2: -0.3 to VSW +6.0V; All other pins: -0.3 to 6.0V; (2)Sourcing current, RT: 200μA; (3)TJ, Operating junction temperature range: -40 to 125℃Tstg, Storage temperature: -55 to 150℃; (4)Lead temperature 1,6 mm (1/16 inch) from case for 10 seconds: 260℃.
Features
TPS40130RHBT features: (1)Two-Phase Interleaved Operation; (2)3-V to 40-V Power Stage Operation Range; (3)Supports Up to 6-V VOUT With External Divider; (4)Requires VIN5 @ 50 mA, Typical, Dependingon External MOSFETs and Switching Frequency; (5)1-μA Shutdown Current; (6)Programmable Switching Frequency up to 1MHz/Phase; (7)Current Mode Control with Forced Current Sharing ; (8)Better than 1% Internal 0.7-V Reference; (9)Resistive Divider Sets Direct Output OverVoltage Threshold and Sets Input Undervoltage Lockout; (10)True Remote Sensing Differential Amplifier; (11)Resistive or Inductor’s DCR Current Sensing; (12)30-pin TSSOP Package; (13)Can Be Used with TPS40120 to Provide a 6-Bit Digitally Controlled Output.
Diagrams

| Image | Part No | Mfg | Description | ![]() |
Pricing (USD) |
Quantity | ||||||||||||
|---|---|---|---|---|---|---|---|---|---|---|---|---|---|---|---|---|---|---|
![]() |
![]() TPS40130RHBT |
![]() Texas Instruments |
![]() DC/DC Switching Controllers 2-Ch Multiphase Buck DC/DC w/Int Drvr |
![]() Data Sheet |
![]()
|
|
||||||||||||
![]() |
![]() TPS40130RHBTG4 |
![]() Texas Instruments |
![]() DC/DC Switching Controllers 2-Ch Multiphase Buck DC/DC w/Int Drvr |
![]() Data Sheet |
![]()
|
|
||||||||||||
(China (Mainland))









