Product Summary
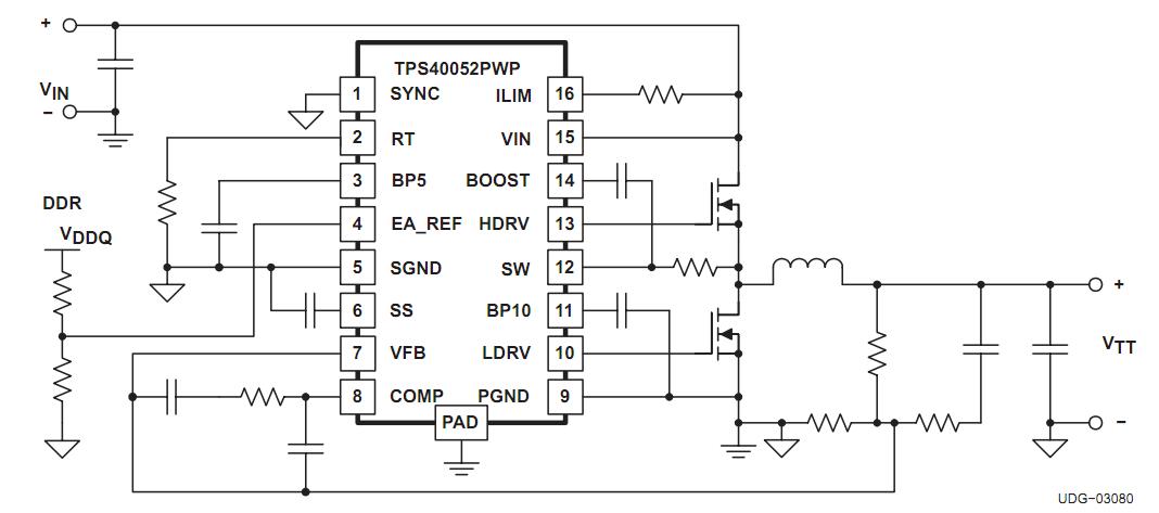
The TPS40052PWP is a high-voltage, wide input, synchronous, step-down converters. The TPS40052PWP offers design flexibility with a variety of user programmable functions, including soft-start, operating frequency, high-side current limit, and loop compensation. The TPS40052PWP is also synchronizable to an external supply. It incorporates MOSFET gate drivers for external N-channel high-side and synchronous rectifier (SR) MOSFETs. The applications of the TPS40052PWP include DDR Tracking Regulators, Power Modules, Networking Equipment, Industrial Servers.
Parametrics
TPS40052PWP absolute maximum ratings: (1)VIN45VFB, SS, SYNC: -0.3 to 6V; (2)Input voltage range, VINSW: -0.3 to 45V; (3)Input voltage range, VINSW, transient < 50 ns: -2.5V; (4)KFF, with IIN(max) = -5 mA: -0.3 to 11V; (5)Output voltage range, VOUTCOMP, RT, SS: -0.3 to 6V; (6)Input current, IINKFF: 5mA; (7)Output current, IOUTRT: 200μA; (8)Operating junction temperature range, TJ: -40 to 125℃; (9)Storage temperature, Tstg: -55 to 150℃; (10)Lead temperature 1,6 mm (1/16 inch) from case for 10 seconds: 260℃.
Features
TPS40052PWP features: (1)Operating Input Voltage 10 V to 40 V; (2)Programmable Fixed-Frequency Up to; (3)100 kHz to 1 MHz Voltage Mode Controller; (4)Internal Gate Drive Outputs for High-Side; (5)and Synchronous N-Channel MOSFETs; (6)16-Pin PowerPAD Package (θJC = 2℃/W); (7)Thermal Shutdown; (8)Externally Synchronizable; (9)Programmable Short-Circuit Protection; (10)Programmable Closed-Loop Soft-Start.
Diagrams

| Image | Part No | Mfg | Description | ![]() |
Pricing (USD) |
Quantity | ||||||||||||
|---|---|---|---|---|---|---|---|---|---|---|---|---|---|---|---|---|---|---|
![]() |
![]() TPS40052PWP |
![]() Texas Instruments |
![]() DC/DC Switching Controllers Wide Input Sync Buck Cntrlr w/DDR trking |
![]() Data Sheet |
![]()
|
|
||||||||||||
![]() |
![]() TPS40052PWP_1093391 |
![]() Other |
![]() |
![]() Data Sheet |
![]() Negotiable |
|
||||||||||||
![]() |
![]() TPS40052PWPG4 |
![]() Texas Instruments |
![]() DC/DC Switching Controllers Wide Input Sync Buck Cntrlr w/DDR trking |
![]() Data Sheet |
![]()
|
|
||||||||||||
![]() |
![]() TPS40052PWPR |
![]() Texas Instruments |
![]() DC/DC Switching Controllers Wide Input Sync Buck Cntrlr w/DDR trking |
![]() Data Sheet |
![]()
|
|
||||||||||||
![]() |
![]() TPS40052PWPRG4 |
![]() Texas Instruments |
![]() DC/DC Switching Controllers Wide Input Sync Buck Cntrlr w/DDR trking |
![]() Data Sheet |
![]()
|
|
||||||||||||
(China (Mainland))










