Product Summary
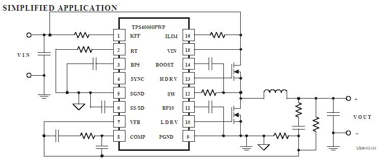
The TPS40051PWP is a high-voltage, wide input(8 V to 40 V), synchronous, step-down converter. The TPS40051PWP offers design flexibility with avariety of user programmable functions, including soft-start, UVLO, operating frequency, voltage feed-forward, high-side current limit, and loop compensation. The device is also synchronizable to an externalsupply. The device incorporates MOSFET gate drivers forexternal N-channel high-side and synchronous rectifie (SR MOSFETs. Gate drive logic incorporates anti-cross conduction circuitry to prevent simultaneous high-side and synchronous rectifier conduction. The applications of the TPS40051PWP include Power Modules, Networking/Telecom, Industrial, Servers.
Parametrics
TPS40051PWP absolute maximum ratings: (1)VIN45VFB, SS, SYNC: -0.3 to 6V; (2)Input voltage range, VINSW: -0.3 to 45V; (3)Input voltage range, VINSW, transient < 50 ns: -2.5V; (4)KFF, with IIN(max) = -5 mA: -0.3 to 11V; (5)Output voltage range, VOUTCOMP, RT, SS: -0.3 to 6V; (6)Input current, IINKFF: 5mA; (7)Output current, IOUTRT: 200μA; (8)Operating junction temperature range, TJ: -40 to 125℃; (9)Storage temperature, Tstg: -55 to 150℃; (10)Lead temperature 1,6 mm (1/16 inch) from case for 10 seconds: 260℃.
Features
TPS40051PWP features: (1)Operating Input Voltage 8 V to 40 V; (2)Input Voltage Feed-Forward Compensation; (3)< 1 % Internal 0.7-V Reference; (4)Programmable Fixed-Frequency Up to 1 MHz Voltage Mode Controller; (5)Internal Gate Drive Outputs for High-Side and Synchronous N-Channel MOSFETs; (6)16-Pin PowerPAD Package (θJC = 2℃/W); (7)Thermal Shutdown; (8)Externally Synchronizable; (9)Programmable High-Side Current Limit; (10)Programmable Closed-Loop Soft-Start; (11)TPS40050 Source Only; (12)TPS40051 Source/Sink; (13)TPS40053 Source/Sink With VOUT Prebias.
Diagrams

| Image | Part No | Mfg | Description | ![]() |
Pricing (USD) |
Quantity | ||||||||||||
|---|---|---|---|---|---|---|---|---|---|---|---|---|---|---|---|---|---|---|
![]() |
![]() TPS40051PWP |
![]() Texas Instruments |
![]() DC/DC Switching Controllers WIDE INPUT VOLTAGE SYNC BUCK CONTROLLER |
![]() Data Sheet |
![]()
|
|
||||||||||||
![]() |
![]() TPS40051PWPG4 |
![]() Texas Instruments |
![]() DC/DC Switching Controllers Wide Input Vltg Synch Buck Cntrlr |
![]() Data Sheet |
![]()
|
|
||||||||||||
![]() |
![]() TPS40051PWPRG4 |
![]() Texas Instruments |
![]() DC/DC Switching Controllers Wide Input Vltg Synch Buck Cntrlr |
![]() Data Sheet |
![]()
|
|
||||||||||||
![]() |
![]() TPS40051PWPR |
![]() Texas Instruments |
![]() DC/DC Switching Controllers Wide Input Vltg Synch Buck Cntrlr |
![]() Data Sheet |
![]()
|
|
||||||||||||
(China (Mainland))









